网站域名:www.99biaozhun.com
会员登陆
免费注册
网站首页
最近更新
教育
技术资料
生活
图纸
搜索
上传资料
发布
当前位置:
>
文档资料
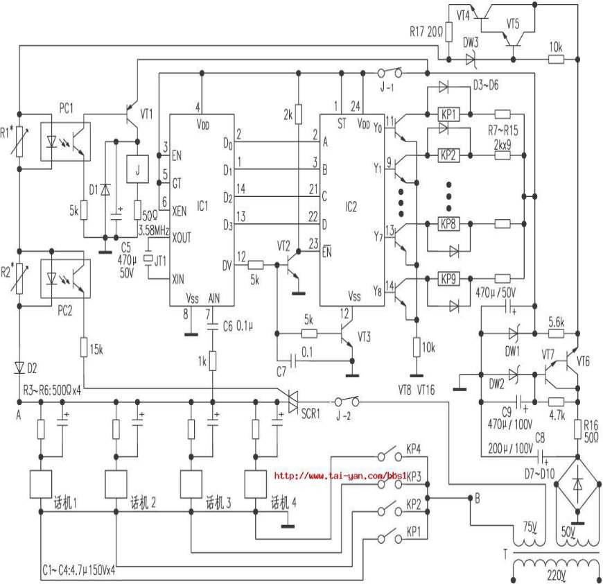
> 简易单位内部电话交换机电路
简易单位内部电话交换机电路.pdf 免费下载
星级评价:
暂无
文件大小:110.2KB
下载权限:无需注册
更新时间:2023-01-23
文件类型:.pdf
隶属栏目:文档资料
上传会员:supertom
浏览次数:1
授权方式:非商业性使用。侵权违法举报 i99biaozhun@163.com
内容介绍
简易单位内部电话交换机电路资料下载,喜欢的朋友可以下载收藏!
第一页预览图:
第二页预览图:
·
进入下载地址列表
其他资料
猜你喜欢
下载排行
2008年硕士研究生入学考试数据结构
点击量:5次
2
一种三电平IGBT逆变器吸收电路的研究_王俊炎
3
电路板生产设备项目可行性研究报告.ppt_
4
有机场效应晶体管及其集成电路研究进展
5
三维流速传感器信号调理电路的研究.caj_
6
美的6种电脑式电饭煲控制板电路图
7
10D303-2-3 常用电机控制电路图(合订本)
8
小型交流伺服电机控制电路设计
9
GB 14048.5-2008 低压开关设备和控制设备 第5-1部
10
01D303-3 常用水泵控制电路图
11
D303-2~3+常用电机控制电路图(2002年合订本)
12
图解电动机控制电路
13
10D303-2 常用风机控制电路图
14
基于单片机-测控电路课程设计:温度测量控制系统
15
电机控制专用集成电路 584页 8.9M
16
ABB机器人控制器电路图_
17
D303-2~3 常用电机控制电路图(2002年合订本)
18
Buck电路的计算机控制系统设计
19
微型打印机控制电路的设计论文开题报告
20
常用电机控制电路图(2002年合订本)
21
GBT 14048.10-2008 低压开关设备和控制设备 第5-2
22
ABB机器人IRC5 M2004控制器电路图_
23
GB 14048.5-2001低压开关设备和控制设备第5-1部
24
基本控制电路(大全)2011.04008
25
GB 14048.07-2008 第5-1部分:机电式控制电路电器
26
GB 14048.13-2006 低压开关设备和控制设备 第5-3
27
GB 14048.14-2006 低压开关设备和控制设备 第5-5
28
99D303-2常用风机控制电路图
29
电路与模拟电子技术第二版殷瑞祥高等教育
30
GPS接收机射频前端电路原理与设计
31
[电子书]现代 电子 电路 原理 与 设计
32
电路原理_第三版_范承志_课后答案[1-11章].khda
33
STM32电路图(原理图)
34
集成电路制造技术原理与工艺 王蔚 习题答案
35
超大规模集成电路-系统和电路的设计原理
36
2014年自动化电路原理考研参考数目(13年考研第一
37
fe1.1s应用电路
《期货交易策略》[美]斯坦利.克罗(
点击量:200次
200
2
《期货交易策略》[美]斯坦利.克罗(Stan
200
3
GBT14976-2002流体输送用不锈钢无缝钢
200
4
水利水电工程环境保护概估算编制规程 S
200
5
锅炉、热交换器用不锈钢无缝钢管 GB 13
200
6
GB_50041-2008_锅炉房设计规范
200
7
GBT--9089.1-2008
200
8
韩顺平玩转oracle视频教程笔记
200
9
使用频率最高的一千句 英语
200
10
《毛宗岗批评本三国演义》[明] 罗贯中
200
11
GB/T 50610-2010 车用乙醇汽油储运设
200
12
7944740
200
13
WHO+Classification+of+Tumours+of+Fem
200
14
1998年考研英语真题及解析
200
15
线性代数 98 国防科大 321
200
16
JBZQ 4224-2006 O形橡胶密封圈