网站域名:www.99biaozhun.com
会员登陆
免费注册
网站首页
最近更新
教育
技术资料
生活
图纸
搜索
上传资料
发布
当前位置:
>
文档资料
> 注册岩土工程师考试手册
注册岩土工程师考试手册.pdf 免费下载
星级评价:
暂无
文件大小:320.2KB
下载权限:无需注册
更新时间:2023-10-03
文件类型:.pdf
隶属栏目:文档资料
上传会员:流云
浏览次数:1
授权方式:非商业性使用。侵权违法举报 i99biaozhun@163.com
内容介绍
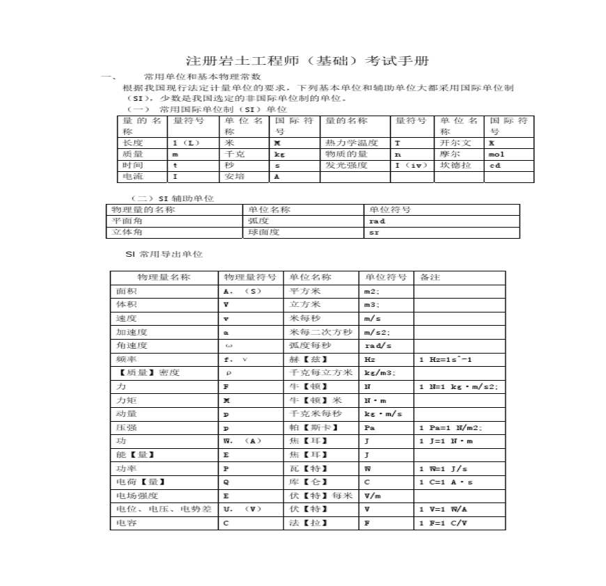
注册岩土工程师考试手册资料下载,喜欢的朋友可以下载收藏!
第一页预览图:
第二页预览图:
·
进入下载地址列表
其他资料
猜你喜欢
下载排行
2008年硕士研究生入学考试数据结构
点击量:5次
2
Oracle9i DBA手册(二)硬件配置研究
3
江苏海相黏土电阻率与岩土特性参数间相关性研究
4
6 输出控制 List Output (LIST)_Napa手册2011_Nap
5
S7-200可编程控制器系统手册
6
CoDeSys_SoftMotion_运动控制中文编程手册
7
S7-1200 可编程控制器系统手册
8
AB_MicroLogix_1400_可编程控制器用户手册(369页)
9
中国建筑股分有限公司内部控制手册_
10
S7-200可编程控制器手册
11
S7-300可编程控制器硬件和安装手册_
12
欧姆龙CPM1A可编程控制器(PLC)操作手册--中文
13
中国建筑股份有限公司内部控制手册
14
SIMATIC.S7.S7-1200.可编程控制器系统手册
15
4079.自动化控制系统设计实例手册
16
男人使用手册.txt_
17
XC系列可编程控制器用户手册【基本指令篇】
18
XC系列可编程控制器用户手册【软件篇】(
19
2011年造价工程师考试计价与控制真题答案
20
S7-1200入门手册
21
统计过程控制-SPC手册
22
GT系列运动控制器编程手册
23
激光振镜控制器编程手册
24
USB控制芯片cy7c68013中文手册
25
TS16949 五大手册-统计过程控制-SPC手册
26
三菱运动控制器Q系列编程手册虚模式篇中文高清版
27
ACS800固件手册
28
煤矿电工手册 第四分册 采掘机械和采区运输设备的
29
《木工机械选型设计操作新技术与机械噪声控制及机
30
MicroLogix 1400 可编程控制器用户手册
31
XC系列可编程控制器用户手册【软件篇】(XCPPro V
32
2011-08-01基层中医药适宜技术手册第二册第二分册
33
Twido可编程控制器硬件手册
34
可编程控制器AC500用户手册
35
力德全新升级版PLC可编程控制器技术手册
36
S7-1200可编程控制器系统手册
37
2014年监理工程师考试教材建设工程质量控制
《期货交易策略》[美]斯坦利.克罗(
点击量:200次
200
2
《期货交易策略》[美]斯坦利.克罗(Stan
200
3
GBT14976-2002流体输送用不锈钢无缝钢
200
4
水利水电工程环境保护概估算编制规程 S
200
5
锅炉、热交换器用不锈钢无缝钢管 GB 13
200
6
GB_50041-2008_锅炉房设计规范
200
7
GBT--9089.1-2008
200
8
韩顺平玩转oracle视频教程笔记
200
9
使用频率最高的一千句 英语
200
10
《毛宗岗批评本三国演义》[明] 罗贯中
200
11
GB/T 50610-2010 车用乙醇汽油储运设
200
12
7944740
200
13
WHO+Classification+of+Tumours+of+Fem
200
14
1998年考研英语真题及解析
200
15
线性代数 98 国防科大 321
200
16
JBZQ 4224-2006 O形橡胶密封圈