网站域名:www.99biaozhun.com
会员登陆
免费注册
网站首页
最近更新
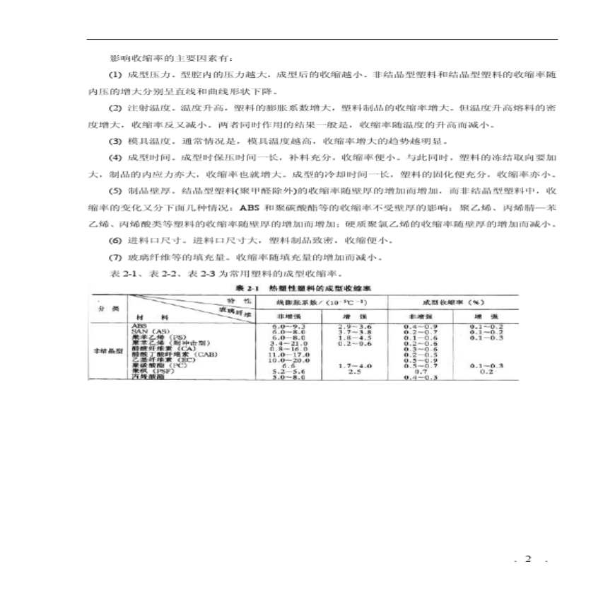
教育
技术资料
生活
图纸
搜索
上传资料
发布
当前位置:
>
文档资料
> 塑料件结构设计全
塑料件结构设计全.pdf 免费下载
星级评价:
暂无
文件大小:3.1 M
下载权限:无需注册
更新时间:2022-12-22
文件类型:.pdf
隶属栏目:文档资料
上传会员:79651
浏览次数:1
授权方式:非商业性使用。侵权违法举报 i99biaozhun@163.com
内容介绍
塑料件结构设计全资料下载,喜欢的朋友可以下载收藏!
第一页预览图:
第二页预览图:
·
进入下载地址列表
其他资料
猜你喜欢
下载排行
2008年硕士研究生入学考试数据结构
点击量:5次
2
建筑结构设计比选和住宅造价成本控制的研究
3
气动机械手升降臂结构设计,面板操纵式(有动力)
4
基坑围护结构设计及开挖支护施工案例知识讲座(原
5
德国钢筋溷凝土结构设计原理(莱昂哈特)
6
溷凝土迭合结构设计原理与应用(赵顺波 张新中)200
7
溷凝土结构设计原理-四校合编上册
8
溷凝土结构设计原理-顾祥林版
9
桥梁混凝土结构设计原理计算示例
10
混凝土土结构设计原理
11
钢筋溷凝土及预应力溷凝土桥梁结构设计原理-新规
12
[溷凝土结构设计原理].刘文锋.文字版
13
结构设计原理计算示例 叶见曙
14
课后习题答案_叶见曙主编结构设计原理1-9章_
15
混凝土结构设计原理复习宝贵资料_题集_附答案
16
溷凝土结构设计原理(赵顺波)
17
混凝土结构 上册:混凝土结构设计原理
18
钢结构设计原理+应用型本科土木建筑系列实用规划
19
钢结构设计原理(陈绍蕃)
20
结构设计原理
21
混凝土结构设计原理 沈蒲生主编(第三版)经典
22
[溷凝土结构设计原理].刘文锋.扫描版
23
[混凝土结构设计原理].刘文锋.文字版
24
钢筋混凝土结构设计原理(莱昂哈特)
25
GBJ132-90工程结构设计基本术语和通用符号
26
钢结构设计图中的焊接符号标注大全(图)
27
建筑结构设计术语和符号标准 GBT 50083-97
28
GB50083-1997T 建筑结构设计术语和符号标准
29
50083-GB50083-97建筑结构设计术语和符号标准
30
GB 50083-1997《建筑结构设计术语和符号标准》
31
多层框价结构民用建筑结构设计
32
HG20583-2011 钢制化工容器结构设计规定
33
HGT 20583-2011 钢制化工容器结构设计规定
34
HG_T20583-2011《钢制化工容器结构设计规定》
35
HG-T 20583-2011 钢制化工容器结构设计规定
36
HG/T 20583-2011 《钢制化工容器结构设计规定》
37
HG20583-2011 钢制化工容器结构设计规定
《期货交易策略》[美]斯坦利.克罗(
点击量:200次
200
2
《期货交易策略》[美]斯坦利.克罗(Stan
200
3
GBT14976-2002流体输送用不锈钢无缝钢
200
4
水利水电工程环境保护概估算编制规程 S
200
5
锅炉、热交换器用不锈钢无缝钢管 GB 13
200
6
GB_50041-2008_锅炉房设计规范
200
7
GBT--9089.1-2008
200
8
韩顺平玩转oracle视频教程笔记
200
9
使用频率最高的一千句 英语
200
10
《毛宗岗批评本三国演义》[明] 罗贯中
200
11
GB/T 50610-2010 车用乙醇汽油储运设
200
12
7944740
200
13
WHO+Classification+of+Tumours+of+Fem
200
14
1998年考研英语真题及解析
200
15
线性代数 98 国防科大 321
200
16
JBZQ 4224-2006 O形橡胶密封圈