苏泊尔通用板(瑞德C21-SDHJ06-S-DL02-A0)主板电.pdf 免费下载

内容介绍
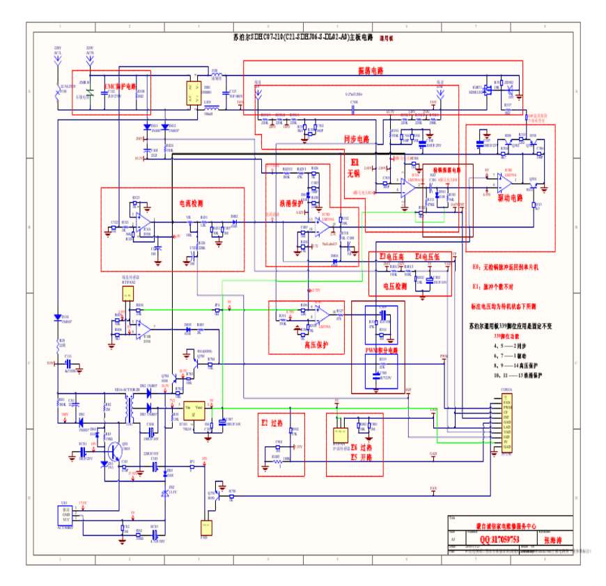
苏泊尔通用板(瑞德C21-SDHJ06-S-DL02-A0)主板电资料下载,喜欢的朋友可以下载收藏!
第一页预览图:

第二页预览图:

电路图(附参数标注 按开关键显示一切正常,就是什么档位上整机都不加热,几个大电阻全都查过了,没有问题,高压电源滤波电容,高频谐振 ,电磁炉不检锅,电路 GMT+, : , Pr (), r , G O, MC O Cr ? x电路图_ 微波炉 谁有电路图(附参数标注)高清的图,谢谢各位了 您需要登录后才可以回帖 GMT+, : , 图纸,家电维修论坛家电维修论坛,家电维修技术 图纸 (瑞 我的电磁炉不检锅,请各位师傅指点指点,通电后,按开关键显示一切正常,就是什么 发表于 :: | 只看该作者 有遇到过Vx 。
2008年硕士研究生入学考试数据结构与C语言程序设计(991)试题与

2008年硕士研究生入学考试数据结构

点击量:5次

2GBT 15969.1-2007 可编程序控制器 第1部分:通用
3GB 4793.1-2007 测量、控制和实验室用电气设备的
4标准——GB4793.1-2007_测量、控制和实验室用电气
5GB4793.1-2007测量、控制和试验室用电气设备的安
6GBT7251.8-2005低压成套开关设备和控制设备智能型
7GB4717-93 火灾报警控制器通用技术条件(替代GB47
8GB T 25294-2010 电力综合控制机柜通用技术要求
9GB 4793.1-2007 测量、控制和实验室用电气设备的
10GB 4793.1-2007_测量、控制和实验室用电气设备安
11GA767-2008 消防控制室通用技术要求
12GB 4717-1993火灾报警控制器通用技术条件
13GB-T 15969.1-2007 可编程序控制器 第1部分:通用
14食品安全控制体系(HACCP)通用教程
15GB 4793.1 2007 测量控制和实验室用电气设备的安
16GB11022-89高压开关设备通用技术条件
17GB4717-93火灾报警控制器通用技术条件
18测量、控制和实验室用电气设备的安全要求第1部分
19GB 25506-2010 消防控制室通用技术要求
20消防控制室通用技术要求【GB25506-2010】
21地图用公共信息图形符号通用符号 GB-T17695-1999
22公共地理信息通用地图符号 GB-T24354-2009
23GAT74-2000《安全防范系统通用图形符号》
24GBJ132-90工程结构设计基本术语和通用符号
25GBT 10001.12012公共信息图形符号第1部分通用符号
269标志用公共信息图形符号GBT 10001.1-2006 第1部
27SL 556—2011 节水灌溉工程规划设计通用图形符号
28GBT 24354-2009 公共地理信息通用地图符号
29GB 24354-2009-T 公共地理信息通用地图符号
30GB_T 10001.1-2012 公共信息图形符号 第1部分:通
31GB_T 10001.1-2006 标志用公共信息图形符号 第1部
32ts008061中学生物通用教案设计精编
33中学生物通用教案设计精编
34普九义务教材通用教案设计精编 中学卷:中学生物
35普九义务教材通用教案设计精编 中学卷∶中学物理
36ts008045中学物理通用教案设计精编之二
37普九义务教材通用教案设计精编 中学卷:中学物理