网站域名:www.99biaozhun.com
会员登陆
免费注册
网站首页
最近更新
教育
技术资料
生活
图纸
搜索
上传资料
发布
当前位置:
>
文档资料
> 开关电源环路设计与实例详解
开关电源环路设计与实例详解.pdf 免费下载
星级评价:
暂无
文件大小:2.3 M
下载权限:无需注册
更新时间:2023-05-20
文件类型:.pdf
隶属栏目:文档资料
上传会员:momo
浏览次数:1
授权方式:非商业性使用。侵权违法举报 i99biaozhun@163.com
内容介绍
开关电源环路设计与实例详解资料下载,喜欢的朋友可以下载收藏!
第一页预览图:
第二页预览图:
·
进入下载地址列表
其他资料
猜你喜欢
下载排行
2008年硕士研究生入学考试数据结构
点击量:5次
2
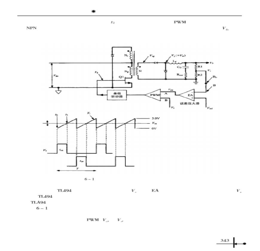
(合肥工业 朱大国 硕士学位论文)开关电源功率因
3
自动控制理论_习题详解
4
自动控制原理第五版胡寿松主编课后习题答案详解
5
电动车无刷电机控制器软件设计详解
6
东大考研自动化原理习题详解
7
自动控制原理学习指导与精选题型详解
8
自动控制原理教材 习题详解
9
十套名校自动控制原理考研真题、答案与详解61P
10
SVPWM的原理及法则推导和控制算法详解
11
微信小程序 开发入门及案例详解__李骏,边思_PDF
12
现代数字图像处理技术提高及应用案例详解 MATLAB
13
教育综合真题详解及模拟试题[翔高]
14
教育综合真题详解及模拟试题%5B翔高%5D
15
液压系统原理图详解
16
大版化工原理课后习题及答案详解
17
《高效液相色谱原理和操作详解》
18
开关电源的原理与设计
19
2012年注册城市规划师《原理》真题及详解答案
20
蒸汽机原理与构造部件详解
21
高效液相色谱原理和操作详解
22
无线充电技术(四种主要方式)原理与应用实例图文详
23
开关电源设计教材原理及应用()
24
三极管开关电路图原理及设计详解
25
质谱原理及示例分析详解 尤其用于有机物分析 碎片
26
《开关电源原理与设计》 【陶显芳】
27
%AA动控制原理学习指导与精选题型详解
28
建筑识图+各种图示符号详解
29
建筑识图_各种图示符号详解.ppt_
30
2013年12月全国生英语六级考试试卷+答案详解+答题
31
黄冈密码:黄冈中学地理高考图文详解地图册
32
初中英语阅读完形填空100篇(一)配答案详解
33
初中英语必考短语详解
34
历年(95-10)全国初中数学竞赛(联赛)分类题型详解-
35
读音规则详解(李阳疯狂英语教师绝密内部培训资料)
36
2012年1月MBA联考数学真题-颜冬老师解题详解
37
【陶显芳】老师的《开关电源设计技巧》全
《期货交易策略》[美]斯坦利.克罗(
点击量:200次
200
2
《期货交易策略》[美]斯坦利.克罗(Stan
200
3
GBT14976-2002流体输送用不锈钢无缝钢
200
4
水利水电工程环境保护概估算编制规程 S
200
5
锅炉、热交换器用不锈钢无缝钢管 GB 13
200
6
GB_50041-2008_锅炉房设计规范
200
7
GBT--9089.1-2008
200
8
韩顺平玩转oracle视频教程笔记
200
9
使用频率最高的一千句 英语
200
10
《毛宗岗批评本三国演义》[明] 罗贯中
200
11
GB/T 50610-2010 车用乙醇汽油储运设
200
12
7944740
200
13
WHO+Classification+of+Tumours+of+Fem
200
14
1998年考研英语真题及解析
200
15
线性代数 98 国防科大 321
200
16
JBZQ 4224-2006 O形橡胶密封圈