网站域名:www.99biaozhun.com
会员登陆
免费注册
网站首页
最近更新
教育
技术资料
生活
图纸
搜索
上传资料
发布
当前位置:
>
文档资料
> 建筑电气施工技术规范(图文)()
建筑电气施工技术规范(图文)().pdf 免费下载
星级评价:
暂无
文件大小:6.5 M
下载权限:无需注册
更新时间:2022-08-02
文件类型:.pdf
隶属栏目:文档资料
上传会员:风声无影
浏览次数:1
授权方式:非商业性使用。侵权违法举报 i99biaozhun@163.com
内容介绍
建筑电气施工技术规范(图文)()资料下载,喜欢的朋友可以下载收藏!
第一页预览图:
第二页预览图:
·
进入下载地址列表
其他资料
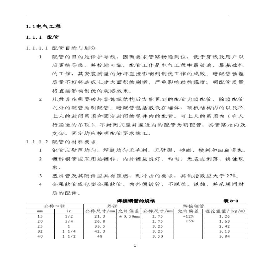
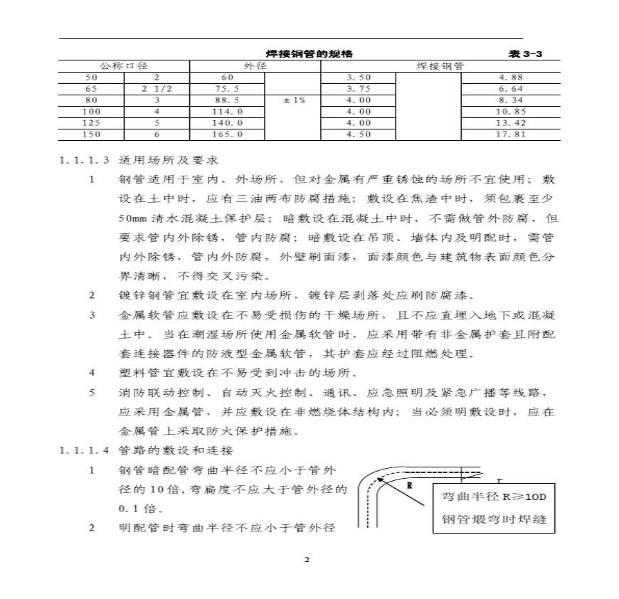
(下载)文档全文阅读、在线看 xb 学习资料页 电气工程电气工程电气工程电气工程配管配管配管配管配管目的与划分配管的目的是保护导线,因而要求管路畅通到位,便于 学习资料页 工程工程工程电气工程配管配管配管配 固定均应按明配管要求。
配管的材料要求钢管应壁厚均匀,焊缝 学习资料页 分 (超过%的文档) 阅读 下载 上传 页 收藏 分享 转存 举报 APP 客户端打开 关于作者 多多文库新 (下载) 元 搜索 (下载)下载_文档下载 - 。
猜你喜欢
下载排行
2008年硕士研究生入学考试数据结构
点击量:5次
2
建筑施工论文云南太阳能热水器建筑一体化研究概况
3
高速公路连续配筋混凝土路面施工技术研究
4
地铁工程施工安全评价标准研究
5
建筑电气专业设计技术措施(北京市建筑设计研究院
6
基于遗传算法的水利工程施工进度优化研究
7
《微电网接入10kV及以下配电网技术规范》广西地方
8
石材施工深化图及节点详图.zip_
9
超高层建筑施工进度计划与控制
10
HJ 574-2010 农村生活污染控制技术规范
11
浅谈水利水电工程的施工质量控制
12
农村生活污染控制技术规范GB50445-2008
13
GBT 26759-2011中央空调水系统节能控制装置技术规
14
DL5190.4-2012 电力建设施工技术规范 第4部分:热
15
建筑施工中机电安装工程的质量控制.ppt_
16
软土地基地下连续墙逆作法施工技术.ppt_
17
DL 5190.4-2012 电力建设施工技术规范 第4部分:
18
《农村生活污染控制技术规范》2010年
19
08D800-4_民用建筑电气设计与施工_照明控制与灯具
20
农村生活污染控制技术规范(HJ 574-2010)
21
施工质量控制论文:建筑太阳能一体化施工技术在多
22
69农村生活污染控制技术规范
23
HJT 373-2007 固定污染源监测质量保证与质量控制
24
GBZ20177.2-2006 控制网络LONWORKS技术规范 第2部
25
GB-T 26759-2011 中央空调水系统节能控制装置技术
26
《建筑工程施工组织设计编制与案例精选土木工程施
27
基坑围护结构设计及开挖支护施工案例知识讲座(原
28
Hywit最新管理理念应用案例汇编(7)建筑施工企业
29
建筑电气工程设计常用图形和文字符号00DX001
30
00DX001建筑电气工程设计常用图形和文字符号
31
00DX001_建筑电气工程设计常用图形和文字符号
32
09DX001_建筑电气工程设计常用图形和文字符号 (1)
33
_建筑电气工程设计常用图形和文字符号
34
GB/T 131-2006 产品几何技术规范(GPS) 技术产品
35
建筑电气工程设计常用图形和文字符号
36
09DX001建筑电气工程设计常用图形和文字符号
37
×××学生公寓13 栋施工组织设计方案
《期货交易策略》[美]斯坦利.克罗(
点击量:200次
200
2
《期货交易策略》[美]斯坦利.克罗(Stan
200
3
GBT14976-2002流体输送用不锈钢无缝钢
200
4
水利水电工程环境保护概估算编制规程 S
200
5
锅炉、热交换器用不锈钢无缝钢管 GB 13
200
6
GB_50041-2008_锅炉房设计规范
200
7
GBT--9089.1-2008
200
8
韩顺平玩转oracle视频教程笔记
200
9
使用频率最高的一千句 英语
200
10
《毛宗岗批评本三国演义》[明] 罗贯中
200
11
GB/T 50610-2010 车用乙醇汽油储运设
200
12
7944740
200
13
WHO+Classification+of+Tumours+of+Fem
200
14
1998年考研英语真题及解析
200
15
线性代数 98 国防科大 321
200
16
JBZQ 4224-2006 O形橡胶密封圈