网站域名:www.99biaozhun.com
会员登陆
免费注册
网站首页
最近更新
教育
技术资料
生活
图纸
搜索
上传资料
发布
当前位置:
>
文档资料
> 建筑电气施工技术规范(图文)
建筑电气施工技术规范(图文).pdf 免费下载
星级评价:
暂无
文件大小:6.5 M
下载权限:无需注册
更新时间:2022-07-31
文件类型:.pdf
隶属栏目:文档资料
上传会员:芥末
浏览次数:1
授权方式:非商业性使用。侵权违法举报 i99biaozhun@163.com
内容介绍
建筑电气施工技术规范(图文)资料下载,喜欢的朋友可以下载收藏!
第一页预览图:
第二页预览图:
·
进入下载地址列表
其他资料
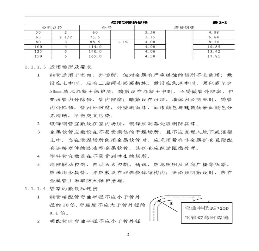
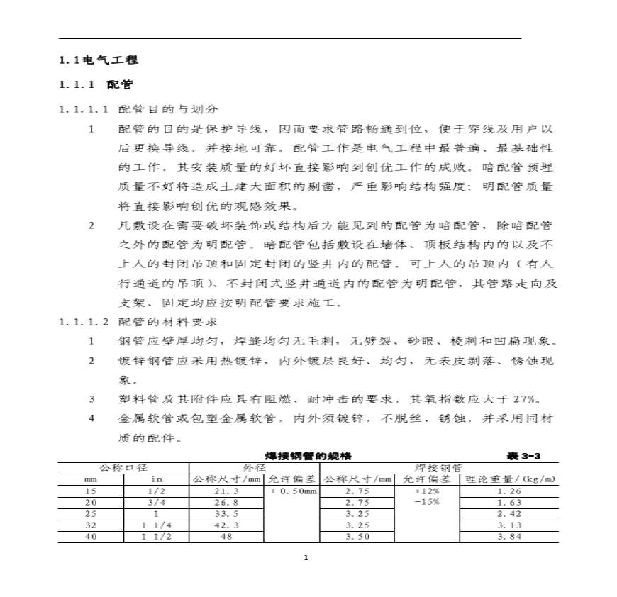
(下载)文档全文阅读、在线看 xb 学习资料页 工程工程工程电气工程配管配管配管配 ,艺术,教育,考试,出国,新闻,电脑,络,手机,健身,娱乐,休闲等全方位 学习资料页 (下载) (下载) PDF 上传日期: :: 学习资料页 工程工程工程工程 配管配管配管配管 配管目的与划分 配管的目的是保护导线,因而要求管路畅通到 xb 学习资料页 工程,民用建筑电气施工规范,,建筑电气安装施 电气施工规范,电气安装 办公文档 规章制度 建筑电气施工规范技术 电气工程 。
猜你喜欢
下载排行
2008年硕士研究生入学考试数据结构
点击量:5次
2
建筑施工论文云南太阳能热水器建筑一体化研究概况
3
高速公路连续配筋混凝土路面施工技术研究
4
地铁工程施工安全评价标准研究
5
建筑电气专业设计技术措施(北京市建筑设计研究院
6
基于遗传算法的水利工程施工进度优化研究
7
《微电网接入10kV及以下配电网技术规范》广西地方
8
石材施工深化图及节点详图.zip_
9
超高层建筑施工进度计划与控制
10
HJ 574-2010 农村生活污染控制技术规范
11
浅谈水利水电工程的施工质量控制
12
农村生活污染控制技术规范GB50445-2008
13
GBT 26759-2011中央空调水系统节能控制装置技术规
14
DL5190.4-2012 电力建设施工技术规范 第4部分:热
15
建筑施工中机电安装工程的质量控制.ppt_
16
软土地基地下连续墙逆作法施工技术.ppt_
17
DL 5190.4-2012 电力建设施工技术规范 第4部分:
18
《农村生活污染控制技术规范》2010年
19
08D800-4_民用建筑电气设计与施工_照明控制与灯具
20
农村生活污染控制技术规范(HJ 574-2010)
21
施工质量控制论文:建筑太阳能一体化施工技术在多
22
69农村生活污染控制技术规范
23
HJT 373-2007 固定污染源监测质量保证与质量控制
24
GBZ20177.2-2006 控制网络LONWORKS技术规范 第2部
25
GB-T 26759-2011 中央空调水系统节能控制装置技术
26
《建筑工程施工组织设计编制与案例精选土木工程施
27
基坑围护结构设计及开挖支护施工案例知识讲座(原
28
Hywit最新管理理念应用案例汇编(7)建筑施工企业
29
建筑电气工程设计常用图形和文字符号00DX001
30
00DX001建筑电气工程设计常用图形和文字符号
31
00DX001_建筑电气工程设计常用图形和文字符号
32
09DX001_建筑电气工程设计常用图形和文字符号 (1)
33
_建筑电气工程设计常用图形和文字符号
34
GB/T 131-2006 产品几何技术规范(GPS) 技术产品
35
建筑电气工程设计常用图形和文字符号
36
09DX001建筑电气工程设计常用图形和文字符号
37
×××学生公寓13 栋施工组织设计方案
《期货交易策略》[美]斯坦利.克罗(
点击量:200次
200
2
《期货交易策略》[美]斯坦利.克罗(Stan
200
3
GBT14976-2002流体输送用不锈钢无缝钢
200
4
水利水电工程环境保护概估算编制规程 S
200
5
锅炉、热交换器用不锈钢无缝钢管 GB 13
200
6
GB_50041-2008_锅炉房设计规范
200
7
GBT--9089.1-2008
200
8
韩顺平玩转oracle视频教程笔记
200
9
使用频率最高的一千句 英语
200
10
《毛宗岗批评本三国演义》[明] 罗贯中
200
11
GB/T 50610-2010 车用乙醇汽油储运设
200
12
7944740
200
13
WHO+Classification+of+Tumours+of+Fem
200
14
1998年考研英语真题及解析
200
15
线性代数 98 国防科大 321
200
16
JBZQ 4224-2006 O形橡胶密封圈