大比例尺地形图机助制图规范 GB14912-1994.pdf 免费下载

内容介绍
大比例尺地形图机助制图规范 GB14912-1994资料下载,喜欢的朋友可以下载收藏!
第一页预览图:

第二页预览图:

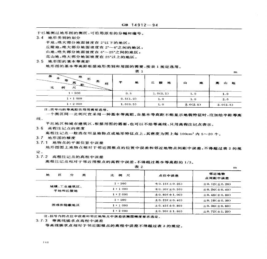
国家标准《 》本标准规定了采用野外数据采集机助成图的方法测绘:、:、:数字地形图的技术规定和精度要求。
本标准适用GB 学习资料页 ,中华人民共和国国家标准 一 Srrxb 大比例尺地形图机助制图规范本文档是高清扫描电子版,下载后即可浏览或打印 豆知微信公众号 b (被GBT学习资料页 ,中华人民共和国国家标准 一 Srrxb () () PDF 上传日期: ::| 关注 下载_文档下载 中华人民共和国国家标准SrrrG 学习资料页 本文档属于学习类文档,有需要的朋友可以自助下载。
{{$N := (INJECT_INDEX $ NC )}} {{$Cr := }} {{$HC := 。
2008年硕士研究生入学考试数据结构与C语言程序设计(991)试题与

2008年硕士研究生入学考试数据结构

点击量:5次

2[民用与工业建筑各类水泵自动控制图集].庞传贵李
301D303-3 常用水泵电气控制图
4建筑工程各类水泵电气控制图集
5SPC八大控制图自动生成器v1.02.xls_
6建筑工程各类水泵电器控制图集
7《常用水泵电气控制图》D303-3(01)
8AUTOCAD 2005中文版建筑制图100例_0.rar_
9孙静: GBT4091-2001《常规控制图》理解与实施
10GB-T_4091-2001_常规控制图
11STATISTICA JMP与MINITAB软件统计控制图应用(三
12GB 131-93 机械制图表面粗糙度符号、代号及其标注
13GB4460-84 机械制图 机构运动简图符号
14机械制图 表面粗糙度符号、代号及其注法GB-T131-1
15GB 4457.5-1984机械制图 剖面符号
16GB 4457[1].5-1984机械制图 剖面符号
17GB4460-84+机械制图+机构运动简图符号
18GB-T131-1993 机械制图 表面粗糙度符号、代号及其
19GB-T 12212-2012 技术制图 焊缝符号的尺寸、比例
20GB-T4457.5-84机械制图剖面符号
21GB-T 4457.5-1984 机械制图剖面符号
22GBT 6567.4-2008 技术制图 管路系统的图形符号 阀
23GB-T 4460-84 机械制图 机构运动简图符号
24GB-T 4457.5-84 机械制图 剖面符号
25GB 4460-84 机械制图 机构运动简图符号
26村庄规划用地符号和制图标准
27GB-T131-1993 机械制图表面粗糙度符号表示方法
28GB 4457.5-1984国家标准机械制图剖面符号
29GBT 6567.3-2008技术制图 管路系统的图形符号 管
30GBT 4457.5-1984 机械制图 剖面符号
31水利水电工程制图符号标准
32GB T4457.5-1984 机械制图 剖面符号
33作废 GB-T131-1993 机械制图 表面粗糙度符号、代
34GBT 24746-2009 技术制图 粘接、弯折与挤压结合的
35GB 6567.4-2008-T 技术制图 管路系统的图形符号
36GBT 12212-2012 技术制图 焊缝符号的尺寸、比例
371:25000 1:50000 1:100000 地形图航空摄影测量