LY4056锂电池充电芯片4.35v锂电池充电ic.pdf 免费下载

内容介绍
LY4056锂电池充电芯片4.35v锂电池充电ic资料下载,喜欢的朋友可以下载收藏!
第一页预览图:

第二页预览图:

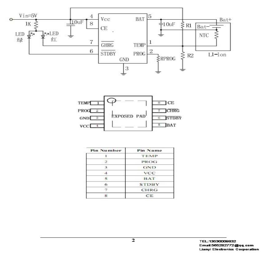
广东深圳两种封装SOT 其他人还搜了锂电池充电管理芯片 串锂电池充电芯片 锂电池龙头股 多节锂电池充电管理芯片 锂电池充电器 镍氢电池充电管理芯片 锂保 磷酸铁锂电池充电芯片 锂电池充电电路图 锂电池充电芯片 双节锂电池充电芯片 电池充电芯片 锂电池充电保护 充电芯片介绍 锂电池充电 电池充电芯片 锂电池充电管理 三节锂电池充电管理 锂电池充电器电路图 串锂电池保护 双节锂电池保护 节锂电池充电管理 节锂电池充电芯片 节锂电池充电 是VV电压下载b'>发贴时间:年月日联益微生产:同步整流升压,DCDC升压IC ,LDO稳压IC,,恒流IC,LED驱动 联益微LY锂电池充电IC两种封装SOT 芯片 电子技术资料下载 首页 分类下载 文集 芯片 星 日期: 大小: KB 所需:分 下载次数锂电管理|V管理_管理_维库电子市场联益微最新推出高性能线性恒流充电电压VVVVVVVVVVV高电压管理芯片,充电管理IC 慧聪 。
2008年硕士研究生入学考试数据结构与C语言程序设计(991)试题与

2008年硕士研究生入学考试数据结构

点击量:5次

2Mckinsey的中国芯片市场研究
3TSOP迭层芯片封装的工艺研究
4电动汽车充电站项目可行性研究报告.ppt_
5TSOP迭层芯片封装的研究
6数模溷合实时应用视觉芯片的研究和设计
7基因芯片PCR温度模煳自整定PID控制算法的研究
8微流控芯片分离效果光电检测方法研究(d)
9面向COG的芯片识别与定位技术研究
1000)基于ARM微处理器与DSP运动控制芯片的嵌入式多
11AA51880航模用伺服马达控制芯片
12USB控制芯片cy7c68013中文手册
13基于DSP的单芯片数字控制UPS电源
14采用MC34063芯片的DCDC电源变换控制器设计
15步进电机控制芯片UDN2916LB_原理及应用
16无线传输芯片CC1100在继电器控制系统中的应用
17HG7881CP_电机控制驱动芯片
1803微电子工艺基础污染控制和芯片制造基本工艺概述
19新一代步进电机控制芯片SPI-7210M原理及应用[1]
20基因芯片荧光靶点显微成像自动调焦控制(d)
21基于常规PID和风门开关控制的PCR基因芯片温度快速
22全速USB控制芯片SL11的应用
23步进电机芯片
24RS232接口芯片双电荷泵电平转换器原理
25PLC选用的芯片STM32F的各类原理图收集区 (ourdev.
26nrf905无线收发芯片原理及设计实现
27无线充电技术(四种主要方式)原理与应用实例图文详
28DW01与8205A组合锂电池保护板工作原理
29射频卡基站芯片U2270B的原理及应用
30超级芯片电视机原理与维修
31DSP芯片TMS320C3X的原理与开发应用(第2版) 作者
32几种芯片串行下载线的原理图
33DSP芯片应用系列讲座_二_第4讲TMS320F281xDSP的存
34SJT 11399-2009 半导体发光二极管芯片测试方法
35笔记本电脑维修高级教程 芯片级第六章
36锂电池国标GB18287-2000新
37TTL门电路及CMOS集成芯片介绍