网站域名:www.99biaozhun.com
会员登陆
免费注册
网站首页
最近更新
教育
技术资料
生活
图纸
搜索
上传资料
发布
当前位置:
>
文档资料
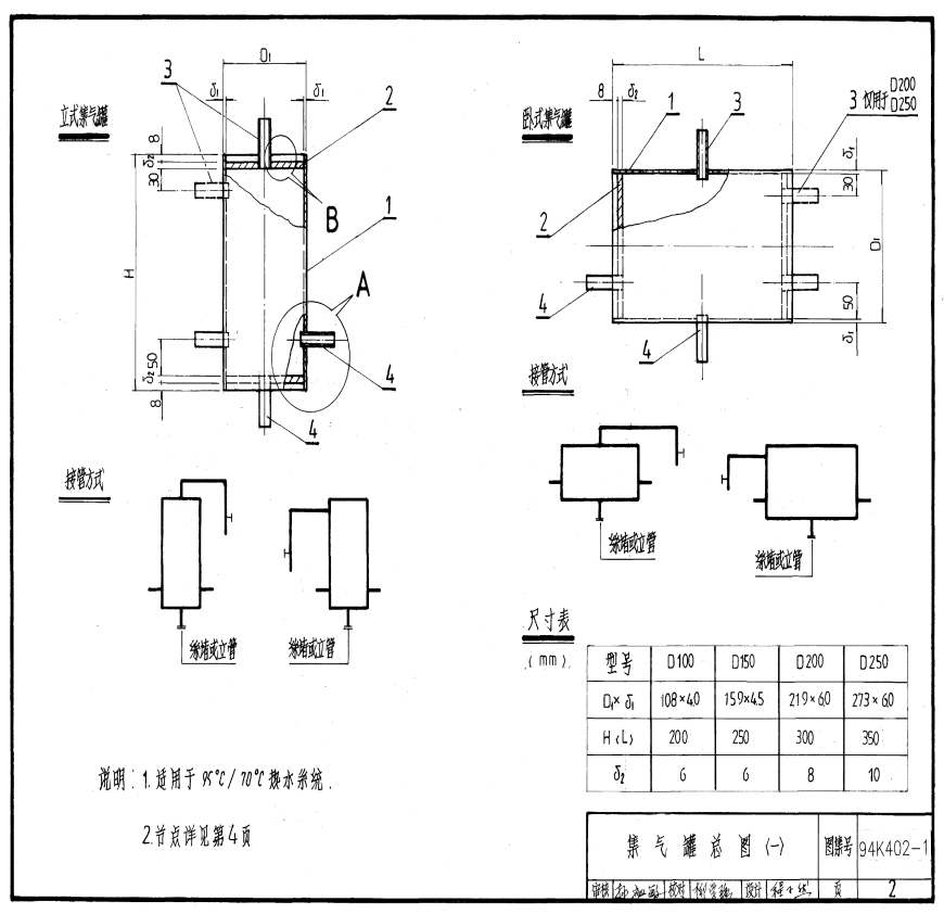
> K402-1~2供热管道及附件制作及安装
K402-1~2供热管道及附件制作及安装.pdf 免费下载
星级评价:
暂无
文件大小:4.1 M
下载权限:无需注册
更新时间:2022-09-19
文件类型:.pdf
隶属栏目:文档资料
上传会员:咯咯咯
浏览次数:1
授权方式:非商业性使用。侵权违法举报 i99biaozhun@163.com
内容介绍
K402-1~2供热管道及附件制作及安装资料下载,喜欢的朋友可以下载收藏!
第一页预览图:
第二页预览图:
·
进入下载地址列表
其他资料
猜你喜欢
下载排行
2008年硕士研究生入学考试数据结构
点击量:5次
2
GB/T21447-2008 钢制管道外腐蚀控制规程
3
GB21447-2008T 钢质管道外腐蚀控制规范
4
GB T21447-2008 钢制管道外腐蚀控制规程
5
城镇燃气埋地钢质管道腐蚀控制技术规程
6
CJJ--95-2003 城市燃气埋地钢质管道腐蚀控制技术
7
SY0007-99钢质管道及储罐腐蚀控制工程设计规范
8
GB21447-2008 钢质管道外腐蚀控制规范
9
GBT 21447-2008 钢制管道外腐蚀控制规程
10
GB 7231-2003工业管道的基本识别色、识别符号和
11
GBT6567.5-2003 管道符号
12
GB7231-2003(工业管道的基本识别色、识别符号和安
13
附件2高等学校家庭经济困难学生认定申请表
14
附件1:广西2014年度专任教师招聘计划
15
建筑安装工程施工图集(第二版)8管道工程
16
建筑安装工程施工图集(第二版)08 管道工程
17
GB/T 18742.2-2002 冷热水用聚丙烯管道系统 第2
18
建筑安装工程施工图集(第二版)8 管道工程
19
建筑安装工程施工图集 管道工程(第二版)
20
建筑安装工程施工图集(第二版)_管道工程
21
42672_18747_建筑安装工程施工图集(第二版)08
22
建筑安装工程施工图集(第二版) 管道工程
23
建筑安装工程施工图集(第二版)08管道工程
24
附件二GB150.2-材料-征求意见稿
25
附件二GB150[1].2-材料-征求意见稿
26
海洋石油工程设计指南 第五册 海洋石油工程海底管
27
GB50517-2010 石油化工金属管道工程施工质量验收
28
SH-T 3022-2011; 石油化工设备和管道涂料防腐蚀
29
GB50517-2010 石油化工工程金属管道施工质量验收
30
SH3012-2011 石油化工金属管道布置设计规范
31
SHT 3022-2011 石油化工设备和管道涂料防腐蚀设计
32
SHT3126-2013 石油化工仪表及管道伴热和绝热设计
33
SH3022-2011石油化工设备和管道涂料防腐蚀技术规
34
HG-T_20679-1990_化工设备、管道外防腐设计规定
35
石油化工管道设计100问
36
SHT_3022-2011_石油化工设备和管道涂料防腐蚀设计
37
SH/T_3022-2011_石油化工设备和管道涂料防腐蚀设
《期货交易策略》[美]斯坦利.克罗(
点击量:200次
200
2
《期货交易策略》[美]斯坦利.克罗(Stan
200
3
GBT14976-2002流体输送用不锈钢无缝钢
200
4
水利水电工程环境保护概估算编制规程 S
200
5
锅炉、热交换器用不锈钢无缝钢管 GB 13
200
6
GB_50041-2008_锅炉房设计规范
200
7
GBT--9089.1-2008
200
8
韩顺平玩转oracle视频教程笔记
200
9
使用频率最高的一千句 英语
200
10
《毛宗岗批评本三国演义》[明] 罗贯中
200
11
GB/T 50610-2010 车用乙醇汽油储运设
200
12
7944740
200
13
WHO+Classification+of+Tumours+of+Fem
200
14
1998年考研英语真题及解析
200
15
线性代数 98 国防科大 321
200
16
JBZQ 4224-2006 O形橡胶密封圈