JBZQ 4337-2006 轻型工字钢用方斜垫圈.pdf 免费下载

内容介绍
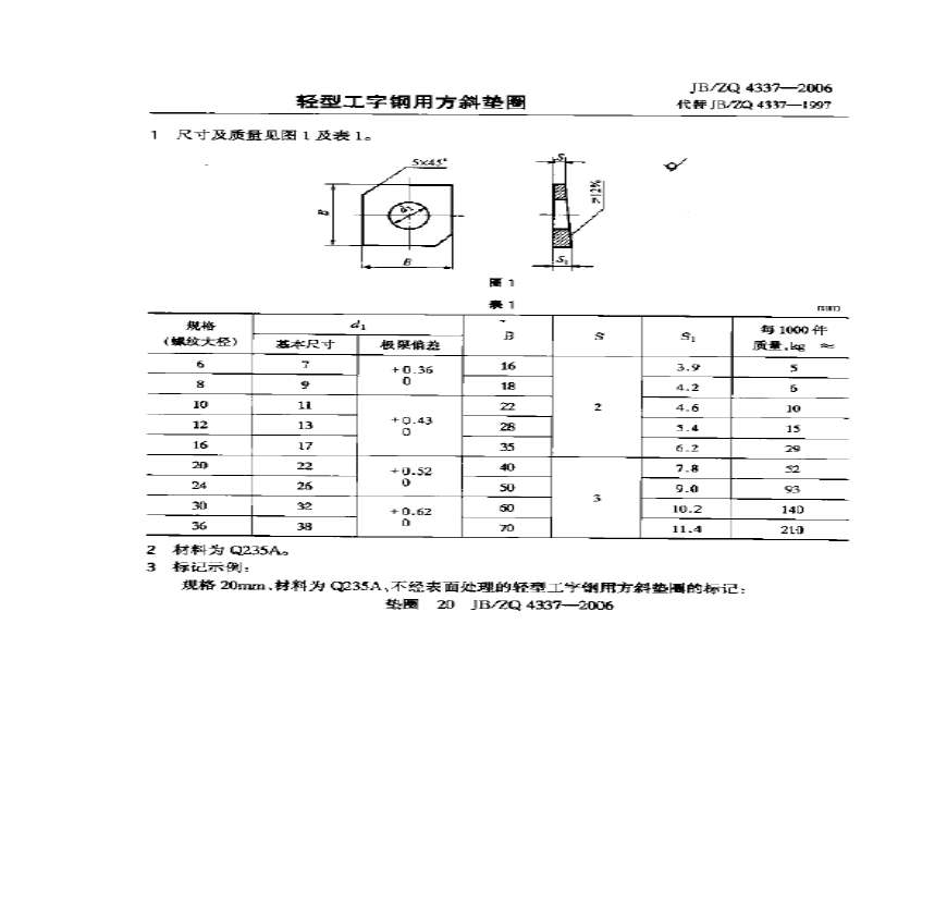
JBZQ 4337-2006 轻型工字钢用方斜垫圈资料下载,喜欢的朋友可以下载收藏!
第一页预览图:

第二页预览图:

选择规格尺寸 扫一扫分享 公差计算 单位换算工具 我要纠错 最小值=公称 告诉我在“易紧通”点击查看供应商 金刀 分 人阅读 侵权举报 (暂无评论) 相关资料 Cr ?学习资料页 以上预览的内容就是您下载后得到的资料内容,请放心下载。
、。
整理文档很辛苦, Sr r r r I b《 :元品牌名:类型:组合工具套装、工具箱马可波罗()提供JB ZQ 、型号:JB ZQ 本文( Sr r r r I b)为本站会员()主动上传,麦多课多多文库仅提供信息存储空间,仅对用户 下载 为多多文库云搜索收集整理的结果,搜索下载地址直接跳转到多多文库云盘进行下载,该文件的安全性和完整性需要您自行判断。
感 技术多多文库本文为本站会员()主动上传,技术多多文库仅提供信息存储空间,仅对用户上传内容的表现方式做保护处理,对上载内容本身不做任何修改或编 。
2008年硕士研究生入学考试数据结构与C语言程序设计(991)试题与

2008年硕士研究生入学考试数据结构

点击量:5次

2JBZQ 4450-2006 外六角螺塞
3GBT 1231-2006 钢结构用高强度大六角头螺栓、大六
4GB1231-2006钢结构用高强度大六角头螺栓、大六角
5JBZQ 4451-2006 55°非密封管螺纹外六角螺塞(PN16
6GB 1231-2006 钢结构用高强度大六角头螺栓、大六
7JBZQ4444-2006内六角螺塞(PN31.5)_din908
8GB1231-2006钢结构用高强度大六角螺栓,垫圈
9GB1231-2006 钢结构用高强度大六角头螺栓、大六角
10JBZQ_4450-2006_外六角螺塞+JBZQ_4770-2006_外六
11钢结构用高强度大六角头螺栓、大六角螺母、垫圈与
12GBT1231-2006钢结构用高强度六角螺栓、螺母及垫圈
13JBZQ 47-2006 60°密封管螺纹内六角螺塞(PNl6)
14JBZQ 4322-2006 六角头预应力螺栓
15JBZQ 4323-2006 六角头螺栓B级
16JBZQ 4352-2006 内六角圆柱头螺钉
17JBZQ 4444-2006 内六角螺塞(PN31.5)
18JBZQ 4447-2006 60°密封管螺纹内六角螺塞(PN16)
19JBZQ 4770-2006 外六角螺塞(PN31.5)
20GBT97.2-2002平垫圈 倒角型A级
21GB-T_848-2002_小垫圈_A级
22GBT 96.1-2002 大垫圈 A级
23GB848-85小垫圈A级
24GB∕T 96.1-2002《大垫圈 A级》(ISO 7093-1:200
25GB/T 97.2-2002 平垫圈 倒角型A级
26GBT 97.2-2002 平垫圈 倒角型 A级
27GB96.1-2002T 大垫圈 A级
28GB-T97.1-2002平垫圈 A级
29JBZQ 4789-2006 TDG型同步电动缸
30GB95-2002T平垫圈 C级
31GB 95-85 平垫圈 C级
32JBZQ 4325-2006 双头螺柱bm=1.25d
33JBZQ 4245-2006 迷宫式密封槽
34JBZQ 4374-2006 ZLD型弹性柱销齿式联轴器
35JBZQ 4375-2006 ZLL型带制动轮弹性柱销齿式联轴器
36JBZQ 4381-2006 鼓形齿式联轴器的选用及计算
37JBZQ 4388-2006 YWZl00~800电力液压块式制动器