网站域名:www.99biaozhun.com
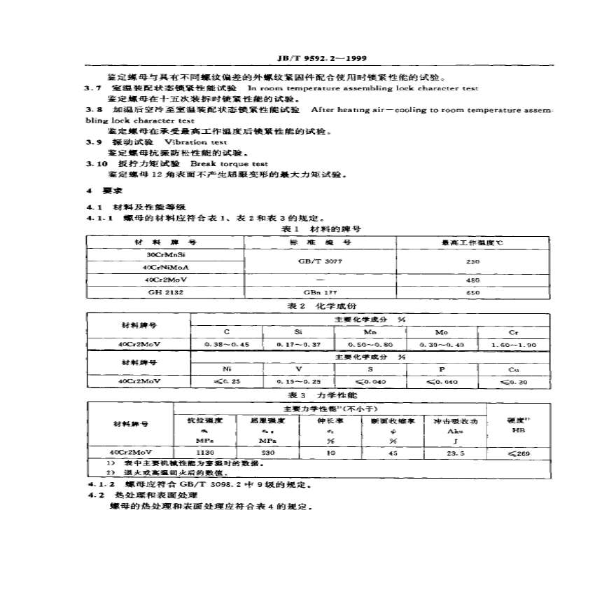
会员登陆
免费注册
网站首页
最近更新
教育
技术资料
生活
图纸
搜索
上传资料
发布
当前位置:
>
文档资料
> JB-T9592.21999全金属12角法兰面锁紧螺母技术条件
JB-T9592.21999全金属12角法兰面锁紧螺母技术条件.pdf 免费下载
星级评价:
暂无
文件大小:187.6KB
下载权限:无需注册
更新时间:2022-08-10
文件类型:.pdf
隶属栏目:文档资料
上传会员:念
浏览次数:1
授权方式:非商业性使用。侵权违法举报 i99biaozhun@163.com
内容介绍
JB-T9592.21999全金属12角法兰面锁紧螺母技术条件资料下载,喜欢的朋友可以下载收藏!
第一页预览图:
第二页预览图:
·
进入下载地址列表
其他资料
未找到有关JBT????????的搜索结果。
请尝试下列相关搜索 下载地址 相关国家标准下载 更多 本站国家标 下载。
截图: 下 时间: :: 作者:标准吧 来源:JB 阅读:次 _安环家 学习资料页 使用本标准的各方应探讨使用下列标准最新版本的可能性 GBTxb 本文()为本站会员()主动上传,金锄头多多文库仅提供信息存储空间,仅对用户上传内容的表现方式做保护处理,对上 金 - 。
猜你喜欢
下载排行
2008年硕士研究生入学考试数据结构
点击量:5次
2
法兰连接设计计算手册 第二版
3
法兰连接设计计算手册 第二版
4
JGT 5057.25-1995 建筑机械与设 高强度大六角螺母
5
l六角螺母C级GBT41-2000
6
六角加厚螺母GBT56-1988
7
GBT 1231-2006 钢结构用高强度大六角头螺栓、大六
8
钢结构用高强度大六角螺母GB1229-91
9
GBT 1229-2006 钢结构用高强度大六角螺母
10
GBT 6175-2000 2型六角螺母
11
GB 41-2000 六角螺母 C
12
GB-T41-2000六角螺母_C级
13
9 螺母 GB 6170-2000 1型六角螺母
14
GBT 923-2009 六角盖形螺母
15
GB1231-2006钢结构用高强度大六角头螺栓、大六角
16
GBT 6170-2000 1型六角螺母
17
GB 06170六角螺母
18
GB 6176-2000 2型六角螺母 细牙
19
GB-T1229-2006 钢结构用高强度大六角螺母
20
GB5790-86六角法兰面螺栓 加大系列 细杆 B级
21
螺母尺寸 GB 06170
22
GB/T__6187.2-2000全金属六角法兰面锁紧螺母_细
23
GB 152.4-1988紧固件六角头螺栓和六角螺母用沉孔
24
GB_T6175-2000Ⅱ型六角螺母
25
GB T41-2000 六角螺母_C级
26
5 六角螺母C级GB41-2000
27
GB 16674.1-2004 六角法兰面螺栓小系列(替代GB 5
28
GB-T 889.1-2000 1型非金属嵌件六角锁紧螺母
29
GB-T 889.2-2000 1型非金属嵌件六角锁紧螺母_细牙
30
GBT6175-2000 2型六角螺母
31
4、GB-T41-2000六角螺母_C级
32
GB 1231-2006 钢结构用高强度大六角头螺栓、大六
33
GB1229-2006钢结构用高强度大六角螺母
34
GB 41-2000 六角螺母 C包括了GB 6170
35
GB_1229T-2006_钢结构用高强度大六角螺母
36
GB 6171-86 1型六角螺母 细牙 A和B级
37
GBT 13681-92 焊接六角螺母
《期货交易策略》[美]斯坦利.克罗(
点击量:200次
200
2
《期货交易策略》[美]斯坦利.克罗(Stan
200
3
GBT14976-2002流体输送用不锈钢无缝钢
200
4
水利水电工程环境保护概估算编制规程 S
200
5
锅炉、热交换器用不锈钢无缝钢管 GB 13
200
6
GB_50041-2008_锅炉房设计规范
200
7
GBT--9089.1-2008
200
8
韩顺平玩转oracle视频教程笔记
200
9
使用频率最高的一千句 英语
200
10
《毛宗岗批评本三国演义》[明] 罗贯中
200
11
GB/T 50610-2010 车用乙醇汽油储运设
200
12
7944740
200
13
WHO+Classification+of+Tumours+of+Fem
200
14
1998年考研英语真题及解析
200
15
线性代数 98 国防科大 321
200
16
JBZQ 4224-2006 O形橡胶密封圈