网站域名:www.99biaozhun.com
会员登陆
免费注册
网站首页
最近更新
教育
技术资料
生活
图纸
搜索
上传资料
发布
当前位置:
>
文档资料
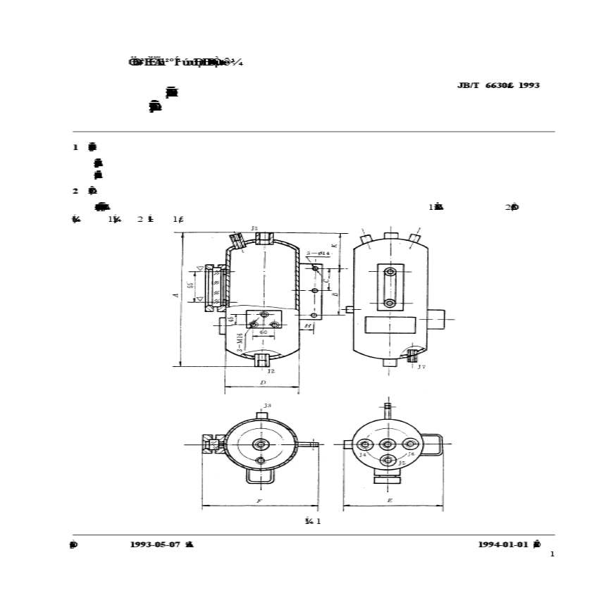
> JBT6630-1993机械密封系统用压力罐 型式、主要尺寸和基本参数
JBT6630-1993机械密封系统用压力罐 型式、主要尺寸和基本参数.pdf 免费下载
星级评价:
暂无
文件大小:55KB
下载权限:无需注册
更新时间:2022-12-15
文件类型:.pdf
隶属栏目:文档资料
上传会员:田一栾
浏览次数:1
授权方式:非商业性使用。侵权违法举报 i99biaozhun@163.com
内容介绍
JBT6630-1993机械密封系统用压力罐 型式、主要尺寸和基本参数资料下载,喜欢的朋友可以下载收藏!
第一页预览图:
第二页预览图:
·
进入下载地址列表
其他资料
猜你喜欢
下载排行
2008年硕士研究生入学考试数据结构
点击量:5次
2
API614-2008 润滑 轴密封和控制油系统及辅助设备
3
GB7251.1-2005 低压成套开关设备和控制设备,第1
4
GB7251.1-2005_低压成套开关设备和控制设备 第1部
5
GB 7251.1-2005 低压成套开关设备和控制设备 第1
6
流体密封技术-原理与应用
7
ABB变频器的基本原理和应用-基本参数设置(中文)
8
GBT 28712.2-2012热交换器型式与基本参数 第二部
9
各式贴片二极管基本参数
10
机械密封+第六版
11
JBZQ 4451-2006 55°非密封管螺纹外六角螺塞(PN16
12
机械密封 第六版
13
JBZQ 47-2006 60°密封管螺纹内六角螺塞(PNl6)
14
JBZQ 4447-2006 60°密封管螺纹内六角螺塞(PN16)
15
《化工设备密封技术》
16
NB47001-2009T 钢制液化石油气卧式储罐型式与基本
17
SY T56091999石油钻机型式与基本参数
18
NB 47001-2009-T 钢制液化石油气卧式储罐型式与基
19
SY-T%205609-1999%20石油钻机型式与基本参数
20
法兰用密封垫片实用手册 2005版 中国标准——书签
21
JB 2409-1999-T 螺杆压缩机转子和同步齿轮 基本参
22
GB-T 14682-2006 建筑密封材料术语
23
JT.T 589-2004水泥混凝土路面嵌缝密封材料
24
DL-T 949-2005 水工建筑物塑性嵌缝密封材料技术标
25
DLT 949-2005水工建筑物塑性嵌缝密封材料技术标准
26
HGT 2811-1996 旋转轴唇形密封圈橡胶材料
27
HG T 2811-1996旋转轴唇形密封圈橡胶材料
28
GB_13477.8-2002建筑密封材料试验方法_第8部分:
29
GB_13477.3-2002-T_建筑密封材料试验方法_第3部分
30
GBT14682-2006建筑密封材料术语
31
GBT_13477.6-2002建筑密封材料试验方法_第6部分:
32
GB 13477.6-2002-T 建筑密封材料试验方法 第6部分
33
GB 13477.8-2002-T 建筑密封材料试验方法 第8部分
34
GB18173.4-2010 高分子防水材料 第4部分:用橡胶
35
GB 13477.1-2002-T 建筑密封材料试验方法 第1部分
36
GB 13477.3-2002-T 建筑密封材料试验方法 第3部分
37
GBT 28712.1-2012热交换器型式与基本参数 第一部
《期货交易策略》[美]斯坦利.克罗(
点击量:200次
200
2
《期货交易策略》[美]斯坦利.克罗(Stan
200
3
GBT14976-2002流体输送用不锈钢无缝钢
200
4
水利水电工程环境保护概估算编制规程 S
200
5
锅炉、热交换器用不锈钢无缝钢管 GB 13
200
6
GB_50041-2008_锅炉房设计规范
200
7
GBT--9089.1-2008
200
8
韩顺平玩转oracle视频教程笔记
200
9
使用频率最高的一千句 英语
200
10
《毛宗岗批评本三国演义》[明] 罗贯中
200
11
GB/T 50610-2010 车用乙醇汽油储运设
200
12
7944740
200
13
WHO+Classification+of+Tumours+of+Fem
200
14
1998年考研英语真题及解析
200
15
线性代数 98 国防科大 321
200
16
JBZQ 4224-2006 O形橡胶密封圈