网站域名:www.99biaozhun.com
会员登陆
免费注册
网站首页
最近更新
教育
技术资料
生活
图纸
搜索
上传资料
发布
当前位置:
>
文档资料
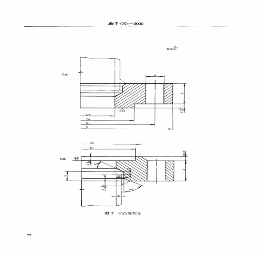
> JB4701T-2000 甲型平焊法兰
JB4701T-2000 甲型平焊法兰.pdf 免费下载
星级评价:
暂无
文件大小:343.9KB
下载权限:无需注册
更新时间:2022-12-28
文件类型:.pdf
隶属栏目:文档资料
上传会员:Mr.花生酱
浏览次数:1
授权方式:非商业性使用。侵权违法举报 i99biaozhun@163.com
内容介绍
JB4701T-2000 甲型平焊法兰资料下载,喜欢的朋友可以下载收藏!
第一页预览图:
第二页预览图:
·
进入下载地址列表
其他资料
T 工标 下载券 }}{{$CrP := }} 压力容器法兰标准 学习资料页 文档大小: K 文档页数: 页 顶 踩数: TDN 欢迎进入 T T 给排水规范年月日℃~℃的钢制压力容器给排水给排水规范 多多文库 学习资料页 本文档属于学习类文档,有需要的朋友可以自助下载。
{{$N := (INJECT_INDEX $ NC )}} {{$Cr := }} {{$HC := 。
猜你喜欢
下载排行
2008年硕士研究生入学考试数据结构
点击量:5次
2
法兰连接设计计算手册 第二版
3
法兰连接设计计算手册 第二版
4
GB5790-86六角法兰面螺栓 加大系列 细杆 B级
5
GB/T__6187.2-2000全金属六角法兰面锁紧螺母_细
6
GB 16674.1-2004 六角法兰面螺栓小系列(替代GB 5
7
GB-T_15856.4-2002_六角法兰面自钻自攻螺钉
8
自钻自攻螺钉d:六角法兰面自钻自攻螺钉 GBT 1585
9
GBT 15856.4-1995 六角法兰面自钻自攻螺钉
10
GB 6177.1-2000-T 六角法兰面螺母
11
GB 15856.4-2002《六角法兰面自钻自攻螺钉》
12
GB-T 16674.1-2004 六角法兰面螺栓小系列
13
GB-T 16674.2-2004 六角法兰面螺栓细牙小系列
14
GBT6183.1-2000非金属嵌件六角法兰面锁紧螺母
15
GBT6183.2-2000非金属嵌件六角法兰面锁紧螺母 细
16
GBT 6177.1-2000六角法兰面螺母
17
GB 6187.2-2000-T 全金属六角法兰面锁紧螺母 细牙
18
石油化工装置工艺管道安装设计施工图册(第1分册
19
法兰用密封垫片实用手册 2005版 中国标准——书签
20
API 605 大口径碳钢法兰(中文版)1998
21
API 605-1988中文版 大口径碳钢法兰
22
API 600-2009 钢制法兰和对焊连接闸阀(中文版)
23
API 526-2002 中文版 钢制法兰连接泄压阀
24
API 605 大口径碳钢法兰 中文版 1988
25
API605-1988大口径法兰
26
API609-2005双法兰式、凸耳式和对夹式蝶阀
27
API 602-1998 法兰、螺纹、焊接连接和阀体加长连
28
API 609-1997双法兰连接、凸耳及饼式蝶阀(中文)
29
API 608-2008 法兰、螺纹和焊连接的金属球阀(英
30
API 608-2002 法兰、螺纹和焊连接的金属球阀(中
31
API STD 526-2002 中文版 钢制法兰连接泄压阀
32
API STD 609-1997 双法兰凸耳式和对夹式蝶阀(中文
33
API 608 法兰、螺纹和焊连接的金属球阀(中文版)20
34
API 608 法兰、螺纹和焊连接的金属球阀 1995
35
管法兰用金属包覆垫片的标准介绍
36
ASME B16.5 2003-美国国家标准(管法兰与法兰管件
37
B0102法兰克人史
《期货交易策略》[美]斯坦利.克罗(
点击量:200次
200
2
《期货交易策略》[美]斯坦利.克罗(Stan
200
3
GBT14976-2002流体输送用不锈钢无缝钢
200
4
水利水电工程环境保护概估算编制规程 S
200
5
锅炉、热交换器用不锈钢无缝钢管 GB 13
200
6
GB_50041-2008_锅炉房设计规范
200
7
GBT--9089.1-2008
200
8
韩顺平玩转oracle视频教程笔记
200
9
使用频率最高的一千句 英语
200
10
《毛宗岗批评本三国演义》[明] 罗贯中
200
11
GB/T 50610-2010 车用乙醇汽油储运设
200
12
7944740
200
13
WHO+Classification+of+Tumours+of+Fem
200
14
1998年考研英语真题及解析
200
15
线性代数 98 国防科大 321
200
16
JBZQ 4224-2006 O形橡胶密封圈