网站域名:www.99biaozhun.com
会员登陆
免费注册
网站首页
最近更新
教育
技术资料
生活
图纸
搜索
上传资料
发布
当前位置:
>
文档资料
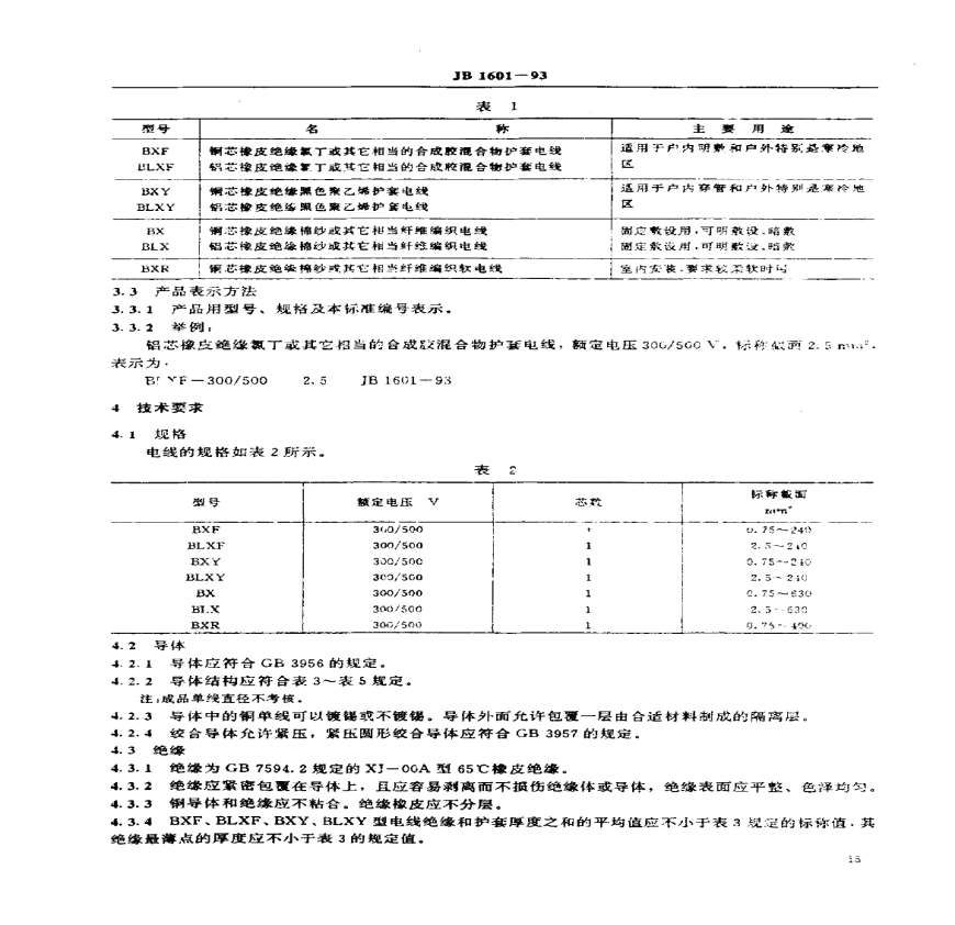
> JB1601-1993_额定电压300-500V橡皮绝缘固定敷设电线
JB1601-1993_额定电压300-500V橡皮绝缘固定敷设电线.pdf 免费下载
星级评价:
暂无
文件大小:275.5KB
下载权限:无需注册
更新时间:2022-08-17
文件类型:.pdf
隶属栏目:文档资料
上传会员:79651
浏览次数:1
授权方式:非商业性使用。侵权违法举报 i99biaozhun@163.com
内容介绍
JB1601-1993_额定电压300-500V橡皮绝缘固定敷设电线资料下载,喜欢的朋友可以下载收藏!
第一页预览图:
第二页预览图:
·
进入下载地址列表
其他资料
,矿物绝缘电缆敷设,额定绝缘电压,橡皮绝缘电力电缆,额定绝缘水平,电缆敷设,敷设方式,电缆敷设方式,电缆敷设图集,电 阅读上传页 加豆单举报认领展开 文档大小: K 文档页数: 页 顶 踩 您是不是要找: 年月日 年月日 年月日 JBTb- 。
猜你喜欢
下载排行
2008年硕士研究生入学考试数据结构
点击量:5次
2
500kV交联聚乙烯电缆绝缘结构的研究设计
3
GBT 9330.1-2008塑料绝缘控制电缆 第1部分:一般
4
GB9330-2008T塑料绝缘控制电缆
5
GBT 9330.1~2-2008塑料绝缘控制电缆
6
GB 9330.2-88 塑料绝缘控制电缆 聚氯乙烯绝缘和
7
A类阻燃35kV交联聚乙烯绝缘电力电缆的结构设计
8
GJB 773A-2000 航空航天用含氟聚合物绝缘电线电缆
9
GB-T_1408.1-1999_固体绝缘材料电气强度试验方法
10
GBT 20160-2006 旋转电机绝缘电阻测试
11
GB 20160-2006-T 旋转电机绝缘电阻测试
12
GBT--1410-2006 固体绝缘材料体积电阻率和表面电
13
10.05-GBT 2900.5-1983 电工术语 电气绝缘材料
14
GBT 1408.1-2006 绝缘材料电气强度试验方法第1部
15
GBT 1408[1].1-2006 绝缘材料电气强度试验方法 第
16
电工绝缘材料手册
17
GBT 10064-2006 测定固体绝缘材料绝缘电阻的实验
18
GBT1408.1-2006 绝缘材料电气强度试验方法 第一部
19
GB 11026.1-2003-T 电气绝缘材料 耐热性 第1部分
20
GB 11026.4-1999-T 确定电气绝缘材料耐热性的导则
21
GB∕T 1408.1-2006 绝缘材料电气强度试验方法 第1
22
GBT 1408.1-2006 绝缘材料电气强度试验方法 第1部
23
GB T2951.42-2008电缆和光缆绝缘和护套材料通用试
24
GBT2951.11-2008电缆和光缆绝缘和护套材料通用实
25
GB-T2951.51-2008电缆和光缆绝缘和护套材料通用试
26
GBT 1408.1-2006电气绝缘电气强度试验方法第1部分
27
GBT 11026.1-2003电气绝缘材料耐热性的导则第1部
28
GB 5591.2-2002-T电气绝缘用柔软复合材料 第二部
29
GB-T2951.32-2008电缆和光缆绝缘和护套材料通用试
30
JB-T 50176-1999 绝缘材料制品加热工序能耗分等
31
GB 10064-2006 测定固体绝缘材料绝缘电阻的实验方
32
99D102-2 1000V以下铁横担架空绝缘线路安装
33
94D101-5电缆敷设图集
34
最新《35KV及以下电缆敷设》94D101-5
35
《35KV及以下电缆敷设》94D101-5
36
35KV及以下电缆敷设94D101-5
37
94D101-5 35KV及以下电缆敷设
《期货交易策略》[美]斯坦利.克罗(
点击量:200次
200
2
《期货交易策略》[美]斯坦利.克罗(Stan
200
3
GBT14976-2002流体输送用不锈钢无缝钢
200
4
水利水电工程环境保护概估算编制规程 S
200
5
锅炉、热交换器用不锈钢无缝钢管 GB 13
200
6
GB_50041-2008_锅炉房设计规范
200
7
GBT--9089.1-2008
200
8
韩顺平玩转oracle视频教程笔记
200
9
使用频率最高的一千句 英语
200
10
《毛宗岗批评本三国演义》[明] 罗贯中
200
11
GB/T 50610-2010 车用乙醇汽油储运设
200
12
7944740
200
13
WHO+Classification+of+Tumours+of+Fem
200
14
1998年考研英语真题及解析
200
15
线性代数 98 国防科大 321
200
16
JBZQ 4224-2006 O形橡胶密封圈