网站域名:www.99biaozhun.com
会员登陆
免费注册
网站首页
最近更新
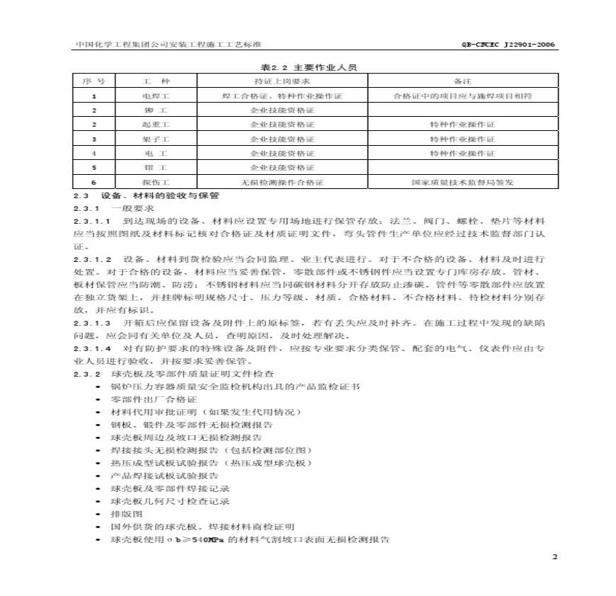
教育
技术资料
生活
图纸
搜索
上传资料
发布
当前位置:
>
文档资料
> J22901-2006 球形储罐组焊施工工艺标准
J22901-2006 球形储罐组焊施工工艺标准.pdf 免费下载
星级评价:
暂无
文件大小:332.6KB
下载权限:无需注册
更新时间:2023-01-19
文件类型:.pdf
隶属栏目:文档资料
上传会员:芥末
浏览次数:1
授权方式:非商业性使用。侵权违法举报 i99biaozhun@163.com
内容介绍
J22901-2006 球形储罐组焊施工工艺标准资料下载,喜欢的朋友可以下载收藏!
第一页预览图:
第二页预览图:
·
进入下载地址列表
其他资料
猜你喜欢
下载排行
2008年硕士研究生入学考试数据结构
点击量:5次
2
SY0007-99钢质管道及储罐腐蚀控制工程设计规范
3
球罐和大型储罐(化工设备设计全书)
4
SH3046-1992 石油化工立式圆筒形钢制焊接储罐设计
5
SHT3528-2005石油化工钢储罐地基与基础施工及验收
6
SH3528-2005T石油化工钢储罐地基与基础施工及验收
7
化工设备设计全书——球形容器设计
8
SHT3517-2001石油化工钢制管道工程施工工艺标准
9
化工设备设计全书-球罐和大型储罐
10
大型石油化工储罐区消防安全系统设计
11
API Std 650-2007 中文版 钢制焊接石油储罐
12
NB47001-2009T 钢制液化石油气卧式储罐型式与基本
13
GB 5908-2005 石油储罐阻火器
14
GB 50393-2008 钢质石油储罐防腐蚀工程技术规范
15
GB-50393-2008 钢质石油储罐防腐蚀工程技术规范
16
钢质石油储罐防腐蚀工程技术规范 GB50393-2008
17
GBT-21451.4-2008 石油和液体石油产品 储罐中液位
18
石油储罐阻火器(GB5908-2005)
19
NB 47001-2009-T 钢制液化石油气卧式储罐型式与基
20
SY%204026-1993%20石油建设工程质量检验评定标准%
21
GB50393-2008 钢质石油储罐防腐蚀工程技术规范
22
GB50393-2008钢质石油储罐防腐蚀技术规程
23
液化石油气储罐设计参数的确定
24
GB 21451.4-2008-T 石油和液体石油产品 储罐中液
25
GB50393-2008钢质石油储罐防腐蚀工程技术规范
26
API 620-2009 大型低压焊接储罐设计与建造
27
API 650 Welded Steel Tanks for Oi Storage钢制
28
建筑装饰材料与施工工艺
29
2012室内设计装饰材料与施工工艺初学者必备.ppt_
30
GB50128-2005立式圆筒钢制储罐验收规范
31
GB 50128-2005立式圆筒形钢质焊接储罐施工及验收
32
古建筑工程施工工艺标准 上下册160;
33
ZJQ00-SG-006-2003建筑电气工程施工工艺标准
34
SHT 3515-2003 大型设备吊装工程施工工艺标准
35
建筑装饰装修工程施工工艺标准
36
水电工艺标准 水电排管穿线的施工工艺要求
37
GB12337-98钢制球形储罐
《期货交易策略》[美]斯坦利.克罗(
点击量:200次
200
2
《期货交易策略》[美]斯坦利.克罗(Stan
200
3
GBT14976-2002流体输送用不锈钢无缝钢
200
4
水利水电工程环境保护概估算编制规程 S
200
5
锅炉、热交换器用不锈钢无缝钢管 GB 13
200
6
GB_50041-2008_锅炉房设计规范
200
7
GBT--9089.1-2008
200
8
韩顺平玩转oracle视频教程笔记
200
9
使用频率最高的一千句 英语
200
10
《毛宗岗批评本三国演义》[明] 罗贯中
200
11
GB/T 50610-2010 车用乙醇汽油储运设
200
12
7944740
200
13
WHO+Classification+of+Tumours+of+Fem
200
14
1998年考研英语真题及解析
200
15
线性代数 98 国防科大 321
200
16
JBZQ 4224-2006 O形橡胶密封圈