网站域名:www.99biaozhun.com
会员登陆
免费注册
网站首页
最近更新
教育
技术资料
生活
图纸
搜索
上传资料
发布
当前位置:
>
文档资料
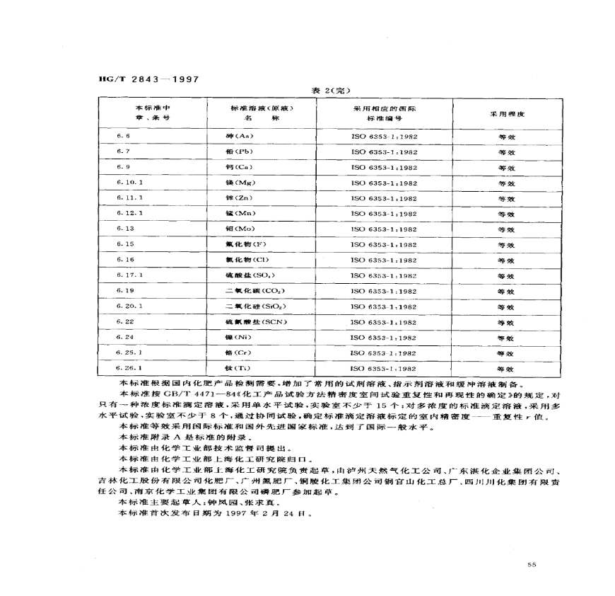
> HG-T 2843-1997 化肥产品 化学分析常用标准滴定溶液
HG-T 2843-1997 化肥产品 化学分析常用标准滴定溶液.pdf 免费下载
星级评价:
暂无
文件大小:980.2KB
下载权限:无需注册
更新时间:2022-08-20
文件类型:.pdf
隶属栏目:文档资料
上传会员:小吕
浏览次数:1
授权方式:非商业性使用。侵权违法举报 i99biaozhun@163.com
内容介绍
HG-T 2843-1997 化肥产品 化学分析常用标准滴定溶液资料下载,喜欢的朋友可以下载收藏!
第一页预览图:
第二页预览图:
·
进入下载地址列表
其他资料
、标准溶液、标准溶液 下载地址: 才可以下载或查看附件。
没有帐号? 论坛提供多种方式获取金币,比如每日红包、每日签到、上传资 下载_、标准 本文(、标准溶液、试剂溶液和指示剂溶液)为本站会员(王申宇)主动上传,麦多课多多文库仅提供信息存储空间,仅对用户上传 。
猜你喜欢
下载排行
2008年硕士研究生入学考试数据结构
点击量:5次
2
GBT 2910-1997 纺织品 二组分纤维混纺产品定量化
3
GB T 6987.2-2001铝及铝合金化学分析方法 草酰二
4
石油沥青质的化学和物理_石油沥青质溶液的胶体化
5
国标GB T601-2002 标准溶液的配制
6
GB601-2002 化学试剂_标准滴定溶液的制备
7
GB601-2002化学试剂标准滴定溶液的配制
8
化学试剂 标准溶液配制和标定标准GBT601-2002
9
GBT-601-2002化学试剂标准滴定溶液的制备
10
GB601-2002标准溶液配制和标定标准
11
GB-T 601-2002化学试剂标准滴定溶液的制备
12
溶液表面张力实验数据的计算机处理
13
GBT 6900-2016 铝硅系耐火材料化学分析方法
14
GBT 6901-2008 硅质耐火材料化学分析方法
15
GB-T 2423.18-2000试验Kb盐务,交变(氯化钠溶液)【
16
GB 8897.5-2006原电池 第5部分 水溶液电解质电池
17
化学分析与仪器分析辞典部分
18
JBT 9225-1999; 铸造用粘土膨润土化学分析方法
19
有机化肥
20
GBT 29422-2012 水泥化学分析废液的处理方法
21
GBT29422-2012水泥化学分析废液的处理方法
22
GBT 27652-2011 防腐木材化学分析前的预处理方法
23
GB T 4955-2005金属覆盖层 覆盖层厚度测量 阳极溶
24
浅谈药品重金属检查时标准铅溶液的取用量
25
GBT 5070.4-2002 镁铬质耐火材料化学分析方法 EDT
26
GBT 5070.5-2002 镁铬质耐火材料化学分析方法 二
27
GBT 5070.1-2002 镁铬质耐火材料化学分析方法 重
28
GBT 5070.10-2002 镁铬质耐火材料化学分析方法 硫
29
GBT 5070.12-2002 镁铬质耐火材料化学分析方法 第
30
GBT 5070.9-2002 镁铬质耐火材料化学分析方法 EDT
31
GBT 6901.1-2004 硅质耐火材料化学分析方法 第1部
32
GBT 5070.11-2002 镁铬质耐火材料化学分析方法 火
33
GBT 6901.4-2004 硅质系耐火材料化学分析方法 邻
34
GBT 6901.5-2004 硅质系耐火材料化学分析方法 铬
35
GBT 6901.6-2004 硅质系耐火材料化学分析方法 EDT
36
GBT 6901.7-2004 硅质系耐火材料化学分析方法 二
37
GBT 6901.9-2004 硅质系耐火材料化学分析方法 火
《期货交易策略》[美]斯坦利.克罗(
点击量:200次
200
2
《期货交易策略》[美]斯坦利.克罗(Stan
200
3
GBT14976-2002流体输送用不锈钢无缝钢
200
4
水利水电工程环境保护概估算编制规程 S
200
5
锅炉、热交换器用不锈钢无缝钢管 GB 13
200
6
GB_50041-2008_锅炉房设计规范
200
7
GBT--9089.1-2008
200
8
韩顺平玩转oracle视频教程笔记
200
9
使用频率最高的一千句 英语
200
10
《毛宗岗批评本三国演义》[明] 罗贯中
200
11
GB/T 50610-2010 车用乙醇汽油储运设
200
12
7944740
200
13
WHO+Classification+of+Tumours+of+Fem
200
14
1998年考研英语真题及解析
200
15
线性代数 98 国防科大 321
200
16
JBZQ 4224-2006 O形橡胶密封圈