网站域名:www.99biaozhun.com
会员登陆
免费注册
网站首页
最近更新
教育
技术资料
生活
图纸
搜索
上传资料
发布
当前位置:
>
文档资料
> GB9129-88 钢制管法兰用石棉橡胶垫片技术条件
GB9129-88 钢制管法兰用石棉橡胶垫片技术条件.pdf 免费下载
星级评价:
暂无
文件大小:211.8KB
下载权限:无需注册
更新时间:2022-12-28
文件类型:.pdf
隶属栏目:文档资料
上传会员:Aaron
浏览次数:1
授权方式:非商业性使用。侵权违法举报 i99biaozhun@163.com
内容介绍
GB9129-88 钢制管法兰用石棉橡胶垫片技术条件资料下载,喜欢的朋友可以下载收藏!
第一页预览图:
第二页预览图:
·
进入下载地址列表
其他资料
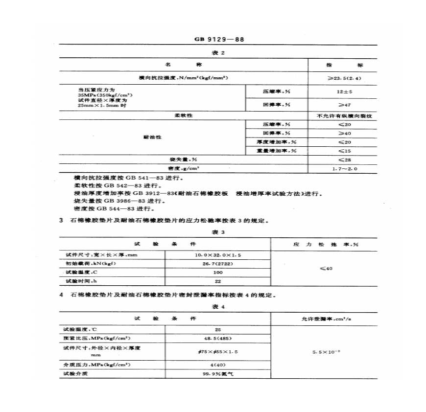
T 国家标准年月日 分 _标准下载 学习资料页 本文档属于学习类文档,有需要的朋友可以自助下载。
{{$N := (INJECT_INDEX $ NC )}} {{$Cr := }} {{$HC := 供应– 供应信息 学习资料页 T — I前言本标准是 T —的修订版。
本标准与国际标准 ISO : 的一致性程度为非等效,主要差 课件 金币 xb 学习资料页 - 。
猜你喜欢
下载排行
2008年硕士研究生入学考试数据结构
点击量:5次
2
橡胶防水卷材项目可行研究报告.ppt_
3
充气橡胶制品项目可行研究报告.ppt_
4
橡胶防老剂项目可行性研究报告.ppt_
5
2010-2011年中国合成橡胶产业研究报告
6
HGJ 32-1990 橡胶衬里化工设备
7
海南橡胶2013年报_企业排名_薪酬报告(农林牧渔业
8
法兰用密封垫片实用手册 2005版 中国标准——书签
9
_公路桥梁盆式橡胶支座_新标准修订介绍
10
管法兰用金属包覆垫片的标准介绍
11
GB 18173.3-2002 高分子防水材料遇水膨胀橡胶
12
GBT 18173.3-2014 高分子防水材料 第3部分:遇水
13
GB18173.3-2002+高分子防水材料+第3部分+遇水膨胀
14
GB18173.4-2010 高分子防水材料 第4部分:盾构法
15
GB18173.3-2002 高分子防水材料 第3部分 遇水膨胀
16
GB18173.3-2002高分子防水材料第3部分:遇水膨胀
17
高分子防水材料遇水膨胀橡胶GB 18173[1].3-2002
18
GB 18173.3-2002-T 高分子防水材料 第3部分 遇水
19
高分子防水材料GB18173.3-2002 第三部分 膨胀橡胶
20
HGT 2811-1996 旋转轴唇形密封圈橡胶材料
21
GBT20671-2006非金属垫片材料分类体系及试验方法
22
HG T 2811-1996旋转轴唇形密封圈橡胶材料
23
GB 18173.3-2002高分子防水材料遇水膨胀橡胶-止水
24
GB18173.4-2010 高分子防水材料 第4部分:用橡胶
25
建筑材料导热系数检测 橡胶塑料氧指数检测
26
HG 20631-2009-T 钢制管法兰缠绕式垫片(Class系列
27
GBT 29463(1~3)-2012 管壳式热交换器用垫片
28
JBT4718-92管壳式换热器用金属包垫片
29
JBT4719-92管壳式换热器用缠绕垫片
30
GBT29463.1-2012 管壳式热交换器用垫片 第1部分:
31
GBT29463.3-2012 管壳式热交换器用垫片 第3部分:
32
管壳式热交换器用垫片 第1部分:金属包垫片GB2946
33
JB/T 4719管壳式换热器用缠绕垫片
34
JB4718T-92管壳式换热器用金属包垫片
35
JB4719T-92管壳式换热器用缠绕垫片
36
JB/T 4719-1992 管壳式换热器用缠绕垫片
37
GBT29463.2-2012 管壳式热交换器用垫片 第2部分:
《期货交易策略》[美]斯坦利.克罗(
点击量:200次
200
2
《期货交易策略》[美]斯坦利.克罗(Stan
200
3
GBT14976-2002流体输送用不锈钢无缝钢
200
4
水利水电工程环境保护概估算编制规程 S
200
5
锅炉、热交换器用不锈钢无缝钢管 GB 13
200
6
GB_50041-2008_锅炉房设计规范
200
7
GBT--9089.1-2008
200
8
韩顺平玩转oracle视频教程笔记
200
9
使用频率最高的一千句 英语
200
10
《毛宗岗批评本三国演义》[明] 罗贯中
200
11
GB/T 50610-2010 车用乙醇汽油储运设
200
12
7944740
200
13
WHO+Classification+of+Tumours+of+Fem
200
14
1998年考研英语真题及解析
200
15
线性代数 98 国防科大 321
200
16
JBZQ 4224-2006 O形橡胶密封圈