网站域名:www.99biaozhun.com
会员登陆
免费注册
网站首页
最近更新
教育
技术资料
生活
图纸
搜索
上传资料
发布
当前位置:
>
文档资料
> GB700-88碳素结构钢
GB700-88碳素结构钢.pdf 免费下载
星级评价:
暂无
文件大小:219.1KB
下载权限:无需注册
更新时间:2022-07-14
文件类型:.pdf
隶属栏目:文档资料
上传会员:o_Ohene
浏览次数:1
授权方式:非商业性使用。侵权违法举报 i99biaozhun@163.com
内容介绍
GB700-88碳素结构钢资料下载,喜欢的朋友可以下载收藏!
第一页预览图:
第二页预览图:
·
进入下载地址列表
其他资料
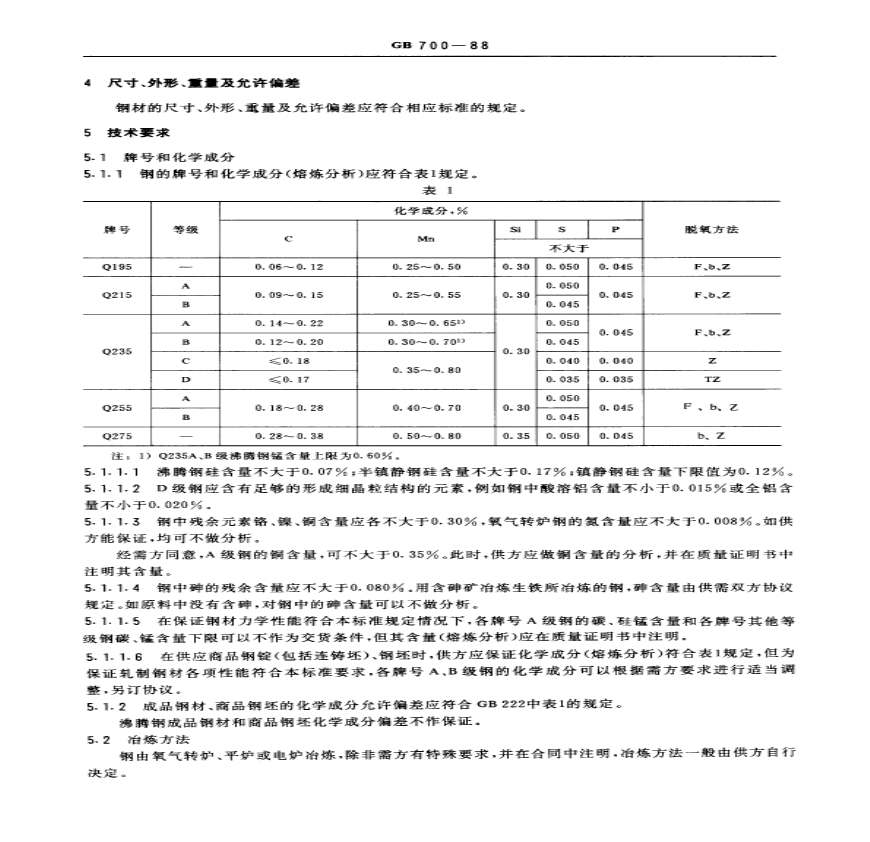
T _国家标准_国内标准_食品标准_食品 标准 用途接适用于一般结构钢和工程用热轧钢板铆接栓接构件用钢带型钢棒钢产品可供焊一般在供应状态下使用化学成分S硅S硫P磷牌号等级C碳M锰≤脱 学习资料页 UDCH中华人民共和国国家标准GB一碳素结构钢Crbrr一一发布攀蒸喃夕一一实施国家才示准局发布GB 下载券 b 学习资料页 {{$N := (INJECT_INDEX $ NC )}} {{$Cr := }} {{$HC := 搜索 。
猜你喜欢
下载排行
2008年硕士研究生入学考试数据结构
点击量:5次
2
GB1591-08低合金高强度结构钢
3
低合金高强度结构钢GBT1591-2008
4
GBT1591-2008-低合金高强度结构钢
5
GB7002-2008T 投光照明灯具光度测试
6
钢铁材料手册 第1卷《 碳素结构钢》
7
钢铁材料手册--第1卷 碳素结构钢
8
钢铁材料手册--第3卷 优质碳素结构钢
9
GB7000.1-2007:灯具一般安全要求与试验
10
GB7000.12-1999 嵌入式灯具安全要求
11
GB7000.3-1996 庭园用的可移式灯具安全要
12
GB7000.11-1999 可移式通用灯具安全要求
13
GB7000.3-1996 庭园用的可移式灯具安全要求
14
GB7000.12-1999 嵌入式灯具安全要求
15
GB7000.11-1999 可移式通用灯具安全要求
16
结构钢、不锈钢电阻点、缝焊工艺 标准 QJ 1290-19
17
GB7000_1_2007
18
GB7000.9-1998 灯串安全要求
19
GB7000.1-2007 灯具一般要求和实验
20
GB7000.5-2005 道路与街路照明灯具安全要求
21
GB7000.5-2005《道路与街路照明灯具安全要求》
22
GB7000.5-2005道路与街路照明灯具安全要求
23
GB7000.13-99手提灯.安全要求
24
GB7000.7-2005投光灯具安全要求
25
GB7000.8-1997 游泳池和类似场所用灯具安全要求
26
GB7000.5-2005 道路与街路照明灯具安全要求
27
GB7000.7-1997 投光灯具安全要求
28
GB7000.8-1997 游泳池和类似场所用灯具安
29
GB7000.10-1999 固定式通用灯具安全要求
30
GB7000.13-1999 手提灯安全要求
31
GB-T 12229-2005 通用阀门 碳素钢铸件技术条件
32
GB_T 12228-2006(T) 通用阀门 碳素钢锻件技术条件
33
GBT_12228-2006通用阀门碳素钢锻件技术条件
34
JB 4726-2000 压力容器用碳素钢和低合金钢锻件
35
JB4726-2000压力容器用碳素钢和低合金钢锻件
36
JB 4726-2000压力容器用碳素钢和低合金钢锻件
37
JB 4726-2000 压力容器用碳素钢和低合金钢锻件
《期货交易策略》[美]斯坦利.克罗(
点击量:200次
200
2
《期货交易策略》[美]斯坦利.克罗(Stan
200
3
GBT14976-2002流体输送用不锈钢无缝钢
200
4
水利水电工程环境保护概估算编制规程 S
200
5
锅炉、热交换器用不锈钢无缝钢管 GB 13
200
6
GB_50041-2008_锅炉房设计规范
200
7
GBT--9089.1-2008
200
8
韩顺平玩转oracle视频教程笔记
200
9
使用频率最高的一千句 英语
200
10
《毛宗岗批评本三国演义》[明] 罗贯中
200
11
GB/T 50610-2010 车用乙醇汽油储运设
200
12
7944740
200
13
WHO+Classification+of+Tumours+of+Fem
200
14
1998年考研英语真题及解析
200
15
线性代数 98 国防科大 321
200
16
JBZQ 4224-2006 O形橡胶密封圈