网站域名:www.99biaozhun.com
会员登陆
免费注册
网站首页
最近更新
教育
技术资料
生活
图纸
搜索
上传资料
发布
当前位置:
>
文档资料
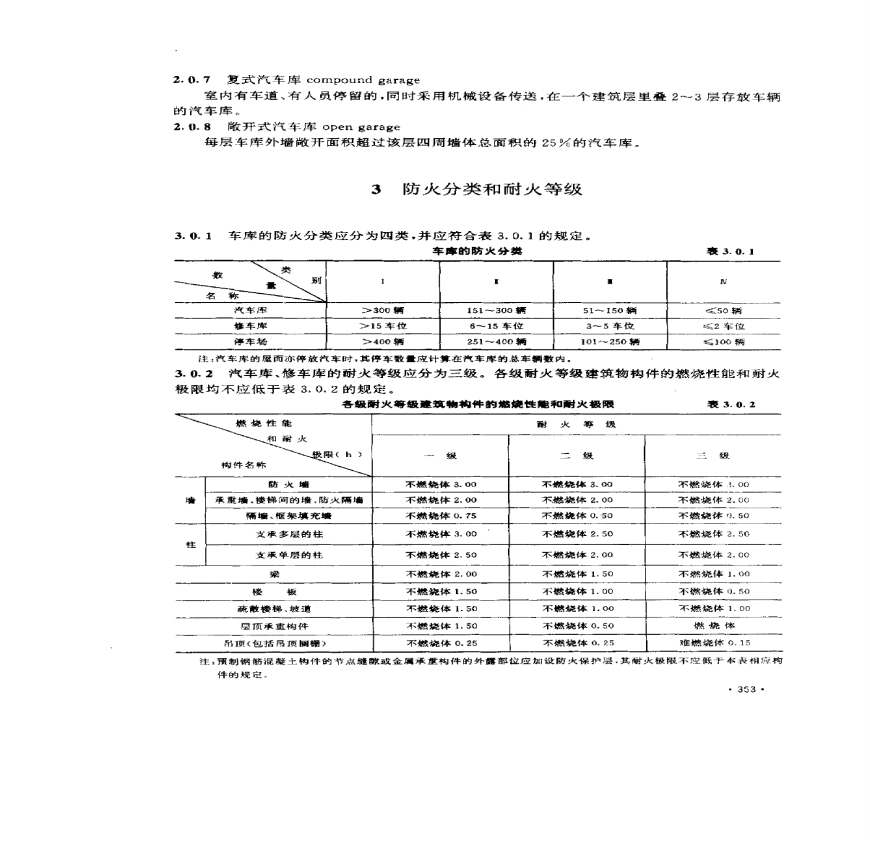
> GB 50067-1997; 汽车库、修车库、停车场设计防火
GB 50067-1997; 汽车库、修车库、停车场设计防火.pdf 免费下载
星级评价:
暂无
文件大小:513.2KB
下载权限:无需注册
更新时间:2022-12-23
文件类型:.pdf
隶属栏目:文档资料
上传会员:知足常乐
浏览次数:1
授权方式:非商业性使用。侵权违法举报 i99biaozhun@163.com
内容介绍
GB 50067-1997; 汽车库、修车库、停车场设计防火资料下载,喜欢的朋友可以下载收藏!
第一页预览图:
第二页预览图:
·
进入下载地址列表
其他资料
规范年月日《规范》() 规范下载年月日建筑设计建筑规范 。
猜你喜欢
下载排行
2008年硕士研究生入学考试数据结构
点击量:5次
2
探索嵌入式防火墙的概述及系统研究设计
3
GB 50160-92石油化工企业设计防火规范及解释
4
GB 50160-2008 石油化工企业设计防火规范(影印版
5
GB 50160-92石油化工企业设计防火规范
6
GB 50160-2008石油化工企业设计防火规范(正式)
7
GB 50160-2008石油化工企业设计防火规范(文字正
8
《石油化工企业设计防火规范》____GB50160-2008
9
17.GB_50160-2008 石油化工企业设计防火规定
10
17.《石油化工企业设计防火规范》GB50160-2008
11
GB50160-2008《石油化工企业设计防火规范》
12
GB_50160-2008_石油化工企业设计防火规范
13
《石油化工企业设计防火规范》_GB50160-2008_全
14
GB 50160-2008 石油化工企业设计防火规范
15
石油化工企业设计防火规范 GB 50160-2008
16
石油化工企业设计防火规范GB50160-2008正式
17
石油化工企业防火设计规范GB-50160-2008
18
GB+50160-2008+石油化工企业设计防火规范
19
GB50160-2008+石油化工企业设计防火规范
20
石油化工企业设计防火规范2008
21
GB50160-2008《石油化工企业设计防火规范》_释义_
22
GB-50160-2008 石油化工企业设计防火规范
23
石油化工企业防火规范GB50160-2008
24
GB50160-2008_石油化工企业设计防火规范
25
GB50160-2008《石油化工企业设计防火规范及条款说
26
GB50160-2008石油化工企业设计防火规范
27
石油化工企业设计防火规范
28
17 石油化工企业设计防火规范 GB50160-2008
29
石油化工企业设计防火规范GB50160-2008
30
《石油化工企业设计防火规范》GB50160-2008
31
05-石油化工企业设计防火规范(99年修订版)(GB50
32
GB50160-2008 石油化工企业设计防火规范(条文说明
33
GB50160-92(1999) 石油化工企业设计防火规范
34
GB 50160-2008 石油化工防火规范
35
石油化工企业设计防火规范(条文说明)GB50160-2008
36
17.GB50160-2008-石油化工企业设计防火规范2
37
GB 50160-2008石油化工企业设计防火规范
《期货交易策略》[美]斯坦利.克罗(
点击量:200次
200
2
《期货交易策略》[美]斯坦利.克罗(Stan
200
3
GBT14976-2002流体输送用不锈钢无缝钢
200
4
水利水电工程环境保护概估算编制规程 S
200
5
锅炉、热交换器用不锈钢无缝钢管 GB 13
200
6
GB_50041-2008_锅炉房设计规范
200
7
GBT--9089.1-2008
200
8
韩顺平玩转oracle视频教程笔记
200
9
使用频率最高的一千句 英语
200
10
《毛宗岗批评本三国演义》[明] 罗贯中
200
11
GB/T 50610-2010 车用乙醇汽油储运设
200
12
7944740
200
13
WHO+Classification+of+Tumours+of+Fem
200
14
1998年考研英语真题及解析
200
15
线性代数 98 国防科大 321
200
16
JBZQ 4224-2006 O形橡胶密封圈