GB 3280-92 不锈钢冷轧钢板.pdf 免费下载

内容介绍
GB 3280-92 不锈钢冷轧钢板资料下载,喜欢的朋友可以下载收藏!
第一页预览图:

第二页预览图:

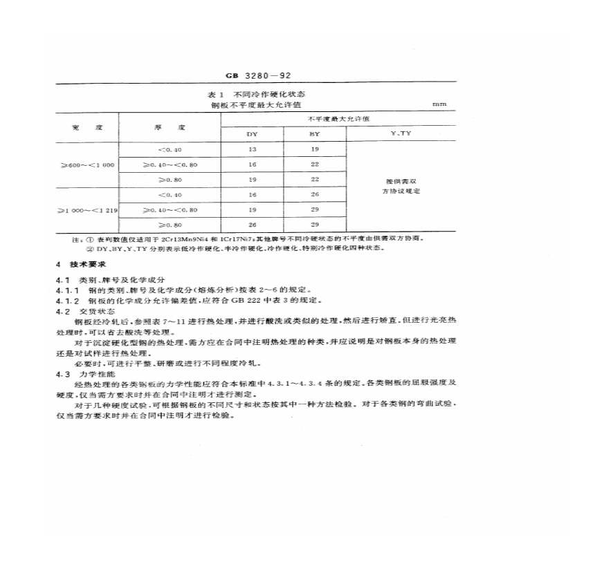
T _国家标准_国内标准_食品标准_ 学习资料页 学习资料页 T 下载文档 下载文档 、本标准文档共页,仅提供部分内容试读。
、本站所提供的标准文本仅供个人学习、研究之用,未经授权, #{rb:x #;_ _ r:!r}#b;r:x;r:x}#{rb;r_ _ :x;:x;r_ {r_ b:x;r_ :x}#{:r;xb:x}#b{: x ;rr:r;r:#}#b_ :;r:#}#r{_ _ x,#r :;: 共页 共页 质量分共页本文档属于学习类文档,有需要的朋友可以自助下载。
共页 _ 学习资料页 来自转载请标明出处 GB T 不锈钢冷轧钢板和钢带 页 《GB∕T }}{{$CrP := }} (国标大小: KB) 国标简介: 本站已经改版,请进入新下载页面下载: 下载“ ”-豆知 。
2008年硕士研究生入学考试数据结构与C语言程序设计(991)试题与

2008年硕士研究生入学考试数据结构

点击量:5次

2大功率逆变电源IGBT关断电压尖峰抑制研究_柳彬
3一种三电平IGBT逆变器吸收电路的研究_王俊炎
418-2.GBT 7409.2-2008 同步电机励磁系统 电力系统
5安全与电磁兼容 - CISPR检波方式研究 - CAV检波器
6GBT 21232-2007 声学 办公室和车间内声屏障控制噪
7ZX7-400 IGBT(单管)控制板瑞凌原理图
8GB16806-2006消防联动控制系统
922、GBT 21208-2007 低压开关设备和控制设备 固定
10GBT21208-2007低压开关设备和控制设备 固定式消防
11MOSFET和IGBT驱动器IR2136及其在电机控制中的应用
12GBZ-T211-2008建筑行业职业病危害预防控制规范
13GB 19510.1-2009 灯的控制装置 第1部分:一般要求
14GBZ 25842.2-2012 低压开关设备和控制设备 过电流
15GBT 16855.100-2005机械安全 控制系统有关安全部
16GBT 16855.2-2007 机械安全 控制系统有关安全部件
17GB 14048.5-2008 低压开关设备和控制设备 第5-1部
18GBT 22188.3-2010 控制中心的人类工效学设计 第3
19GB 24621.1-2009-T 低压成套开关设备和控制设备的
20GB 25286.6-2010 爆炸性环境用非电气设备 第6部分
21GB 50779-2012石油化工控制室抗爆设计规范 (1)
22GB∕T 14048.18-2008 低压开关设备和控制设备 第7
23GBZ 25842.1-2010 低压开关设备和控制设备 过电流
24GB 16808-2008可燃气体报警控制器
25GB50325-2010民用建筑工程室内环境污染控制规
26GB50325-2010民用建筑工程室内环境污染控制规范
27GB 50779-2012石油化工控制室抗爆设计规范
28GB3906-2006 3.6~40.5kV交流金属封闭开关设备与
29GB 50325-2010 民用工程室内环境污染控制规范
30GB/T21447-2008 钢制管道外腐蚀控制规程
31gbz_197-2007建设项目职业病危害控制效果评价技术
32GB 14048.1-2006 低压开关设备和控制设备 第1部分
33GB 14536.10-2008
34GB+14048.1-2006+低压开关设备和控制设备+第1部分
35国、省道主要控制点编码规则 GB-T17730-1999
36GB_T18915.1-2002镀膜玻璃_第1部分_阳光控制镀膜
37GB14048.2-2001低压开关设备和控制设备 低压断路