网站域名:www.99biaozhun.com
会员登陆
免费注册
网站首页
最近更新
教育
技术资料
生活
图纸
搜索
上传资料
发布
当前位置:
>
文档资料
> GB13237-91优质碳素结构钢冷轧薄钢板和钢带
GB13237-91优质碳素结构钢冷轧薄钢板和钢带.pdf 免费下载
星级评价:
暂无
文件大小:208.9KB
下载权限:无需注册
更新时间:2022-07-16
文件类型:.pdf
隶属栏目:文档资料
上传会员:Monkeybird
浏览次数:1
授权方式:非商业性使用。侵权违法举报 i99biaozhun@163.com
内容介绍
GB13237-91优质碳素结构钢冷轧薄钢板和钢带资料下载,喜欢的朋友可以下载收藏!
第一页预览图:
第二页预览图:
·
进入下载地址列表
其他资料
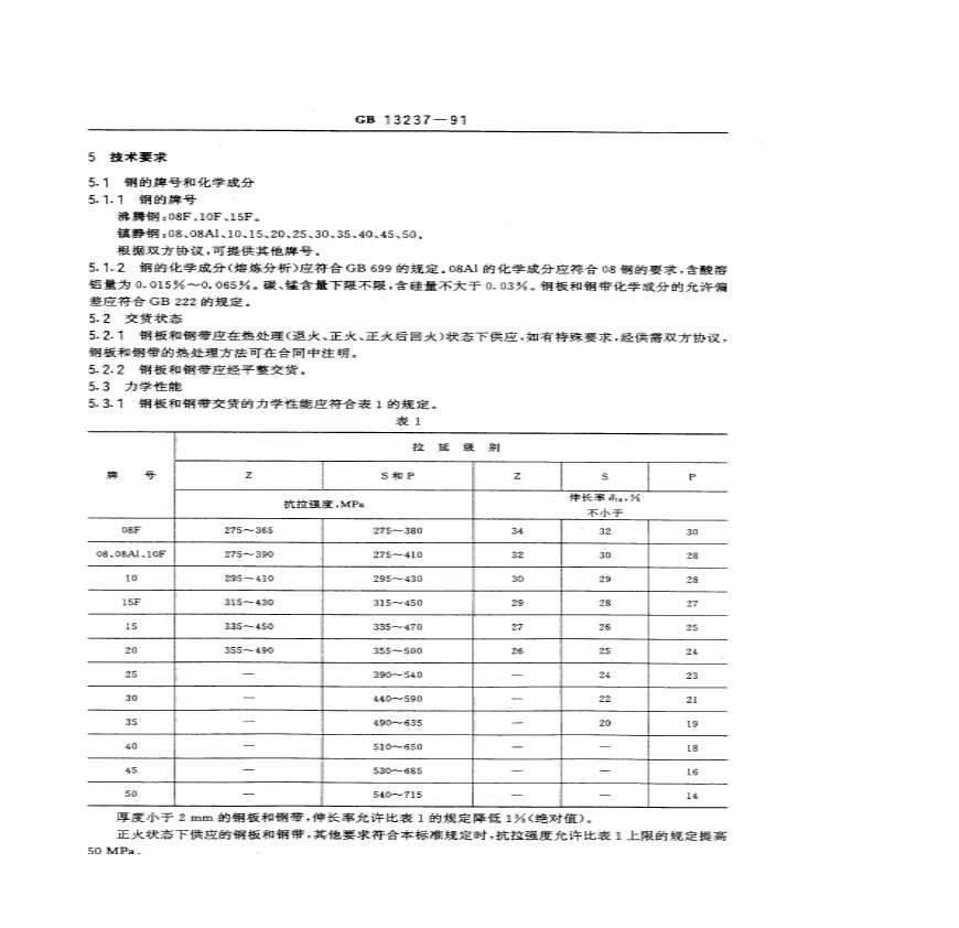
(T 多多文库多多文库 学习资料页 r UDCH __热轧 。
猜你喜欢
下载排行
2008年硕士研究生入学考试数据结构
点击量:5次
2
06J925-2压型钢板、夹芯板屋面及墙体建筑构造(二
3
中华人民共和国国家标准.热轧钢板和钢带
4
GB-T709热轧钢板和钢带尺寸、外形、重量和允许偏
5
GBT20933-2007-热轧U型钢板桩国标_
6
GJB 31A-2000 装甲用30CrMnMoRE、30CrNi2MnMoRE和
7
ASTM A924-A924M-09 中文版 热浸镀金属镀层钢板
8
GB1591-08低合金高强度结构钢
9
低合金高强度结构钢GBT1591-2008
10
GBT1591-2008-低合金高强度结构钢
11
钢铁材料手册 第1卷《 碳素结构钢》
12
钢铁材料手册--第1卷 碳素结构钢
13
钢铁材料手册--第3卷 优质碳素结构钢
14
GB-T 28297-2012 厚钢板超声自动检测方法
15
GBT 28297-2012 厚钢板超声自动检测方法
16
GBT6396-2008 复合钢板力学及工艺性能试验方法
17
结构钢、不锈钢电阻点、缝焊工艺 标准 QJ 1290-19
18
GB-T 12229-2005 通用阀门 碳素钢铸件技术条件
19
GB_T 12228-2006(T) 通用阀门 碳素钢锻件技术条件
20
GBT_12228-2006通用阀门碳素钢锻件技术条件
21
07K133 薄钢板法兰风管制作与安装
22
暖通图集_07K133_薄钢板法兰风管制作与安装
23
GB3531-2008低温压力容器用低合金钢钢板
24
GB713-2008锅炉和压力容器用钢板
25
GB3531-2014低温压力容器用钢板
26
GB 3531-2014 低温压力容器用钢板
27
JB 4726-2000 压力容器用碳素钢和低合金钢锻件
28
GB3531-2008 低温压力容器用低合金钢钢板
29
GB 713-2008 锅炉与压力容器用钢板
30
GB3531-96低温压力容器用低合金钢钢板
31
JB4726-2000压力容器用碳素钢和低合金钢锻件
32
GB 713-2008 锅炉和压力容器用钢板
33
GBT_713-2008_锅炉和压力容器用钢板
34
GB24510-2009 低温压力容器用9%Ni钢板
35
GB713-2008_锅炉和压力容器用钢板
36
GB713-2008 锅炉和压力容器用钢板
37
GB6654-96压力容器用钢板
《期货交易策略》[美]斯坦利.克罗(
点击量:200次
200
2
《期货交易策略》[美]斯坦利.克罗(Stan
200
3
GBT14976-2002流体输送用不锈钢无缝钢
200
4
水利水电工程环境保护概估算编制规程 S
200
5
锅炉、热交换器用不锈钢无缝钢管 GB 13
200
6
GB_50041-2008_锅炉房设计规范
200
7
GBT--9089.1-2008
200
8
韩顺平玩转oracle视频教程笔记
200
9
使用频率最高的一千句 英语
200
10
《毛宗岗批评本三国演义》[明] 罗贯中
200
11
GB/T 50610-2010 车用乙醇汽油储运设
200
12
7944740
200
13
WHO+Classification+of+Tumours+of+Fem
200
14
1998年考研英语真题及解析
200
15
线性代数 98 国防科大 321
200
16
JBZQ 4224-2006 O形橡胶密封圈