网站域名:www.99biaozhun.com
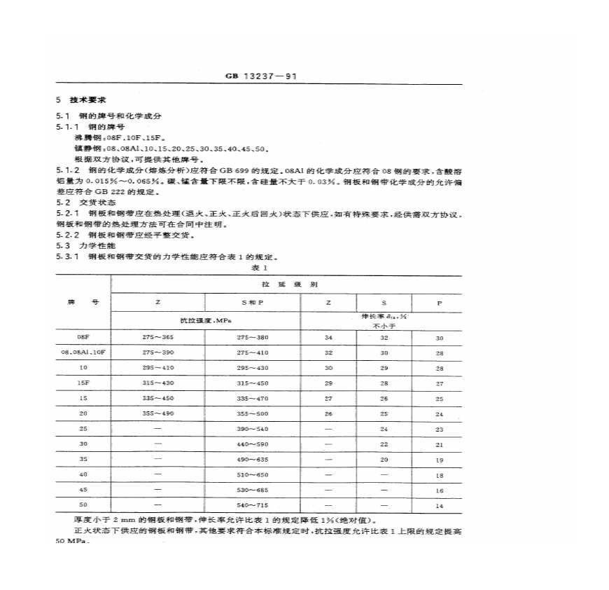
会员登陆
免费注册
网站首页
最近更新
教育
技术资料
生活
图纸
搜索
上传资料
发布
当前位置:
>
文档资料
> GB13237-91-T 优质碳素结构钢热轧薄钢板和钢带
GB13237-91-T 优质碳素结构钢热轧薄钢板和钢带.pdf 免费下载
星级评价:
暂无
文件大小:208.9KB
下载权限:无需注册
更新时间:2022-07-14
文件类型:.pdf
隶属栏目:文档资料
上传会员:o_Ohene
浏览次数:1
授权方式:非商业性使用。侵权违法举报 i99biaozhun@163.com
内容介绍
GB13237-91-T 优质碳素结构钢热轧薄钢板和钢带资料下载,喜欢的朋友可以下载收藏!
第一页预览图:
第二页预览图:
·
进入下载地址列表
其他资料
T 冷轧 钢铁标准 资料下载钢铁标准 : 评分:分品牌名:中国标准类型:工程技术作者:国家技术监督局发布 :中国标准 时间: 开本:大开 印刷时间: 页数: 印数: 版次GBT__冷轧__冷轧下载_文档下载 中华人民共和国国家标准G一G一优质碳素结构钢冷轧薄钢板和钢带H - 。
猜你喜欢
下载排行
2008年硕士研究生入学考试数据结构
点击量:5次
2
GB 1499.2-2007 钢筋混凝土用钢 第2部分:热轧带
3
GB 1499.2-2007《钢筋混凝土用钢第2部分热轧带肋
4
GB1499.2-2007《钢筋溷凝土用钢第二部分热轧带肋
5
GB1499[1][1].2-2007《钢筋溷凝土用钢第二部分热
6
GB1499.1 2007 钢筋溷凝土用钢 2 热轧带肋钢筋
7
钢筋溷凝土用钢第二部分热轧带肋钢筋GB1499.2-200
8
热轧带肋钢筋标准
9
GB1499.2-2007 钢筋溷凝土用钢 第2部分:热轧带肋
10
GB 1499.2-2007 钢筋溷凝土用钢 第2部分:热轧带
11
GB 1499.2-2007 钢筋混凝土用钢 第2部分:热轧带
12
GB 1499.2-2007 钢筋溷凝土用钢 第2部分 热轧带肋
13
GB 1499.2-2007_钢筋溷凝土用钢第二部分:热轧带
14
GB 1499.2-2007《钢筋溷凝土用钢第二部分热轧带肋
15
热轧带肋钢筋(GB1499[1].2-2007)
16
钢筋溷凝土用热轧带肋钢筋
17
GB1499-2-2007钢筋溷凝土用钢第二部分热轧带肋钢
18
GB1499.2-2007 钢筋溷凝土用钢第二部分:热轧带肋
19
《钢筋溷凝土用钢 第2部分 热轧带肋钢筋》GB1499.
20
中华人民共和国国家标准.热轧钢板和钢带
21
GB-T709热轧钢板和钢带尺寸、外形、重量和允许偏
22
GBT20933-2007-热轧U型钢板桩国标_
23
GB1591-08低合金高强度结构钢
24
低合金高强度结构钢GBT1591-2008
25
GBT1591-2008-低合金高强度结构钢
26
gb_1499.2-2007钢筋溷凝土用钢 第2部分 热轧带
27
钢筋溷凝土用钢 第2部分:热轧带肋钢筋 GB 1499.2
28
GB 1499.2-2007 钢筋混凝土用钢 第2部分 热轧带肋
29
溷凝土用刚第二部分热轧光圆钢筋GB+1499.2-2007
30
GB 1499.2-2007 钢筋混凝土用钢 第2部分热轧带肋
31
GB1499.2-2007_钢筋溷凝土用钢第二部分:热轧带肋
32
钢筋溷凝土用钢-第2部分:热轧带肋钢筋(GB-1499.2
33
GB1499.2-2007 钢筋溷凝土用钢第二部分热轧带肋钢
34
E9筋溷凝土用钢第2部分:热轧带肋钢筋[1]
35
GB1499.2-2007《钢筋混凝土用钢第二部分热轧带肋
36
GB1499.2-2007钢筋混凝土用钢 第2部分 热轧带肋钢
37
GB1499.2-2007 钢筋溷凝土用钢 第2部分 热轧带肋
《期货交易策略》[美]斯坦利.克罗(
点击量:200次
200
2
《期货交易策略》[美]斯坦利.克罗(Stan
200
3
GBT14976-2002流体输送用不锈钢无缝钢
200
4
水利水电工程环境保护概估算编制规程 S
200
5
锅炉、热交换器用不锈钢无缝钢管 GB 13
200
6
GB_50041-2008_锅炉房设计规范
200
7
GBT--9089.1-2008
200
8
韩顺平玩转oracle视频教程笔记
200
9
使用频率最高的一千句 英语
200
10
《毛宗岗批评本三国演义》[明] 罗贯中
200
11
GB/T 50610-2010 车用乙醇汽油储运设
200
12
7944740
200
13
WHO+Classification+of+Tumours+of+Fem
200
14
1998年考研英语真题及解析
200
15
线性代数 98 国防科大 321
200
16
JBZQ 4224-2006 O形橡胶密封圈