GB 1220-92被2007替代 不锈钢棒.pdf 免费下载

内容介绍
GB 1220-92被2007替代 不锈钢棒资料下载,喜欢的朋友可以下载收藏!
第一页预览图:

第二页预览图:

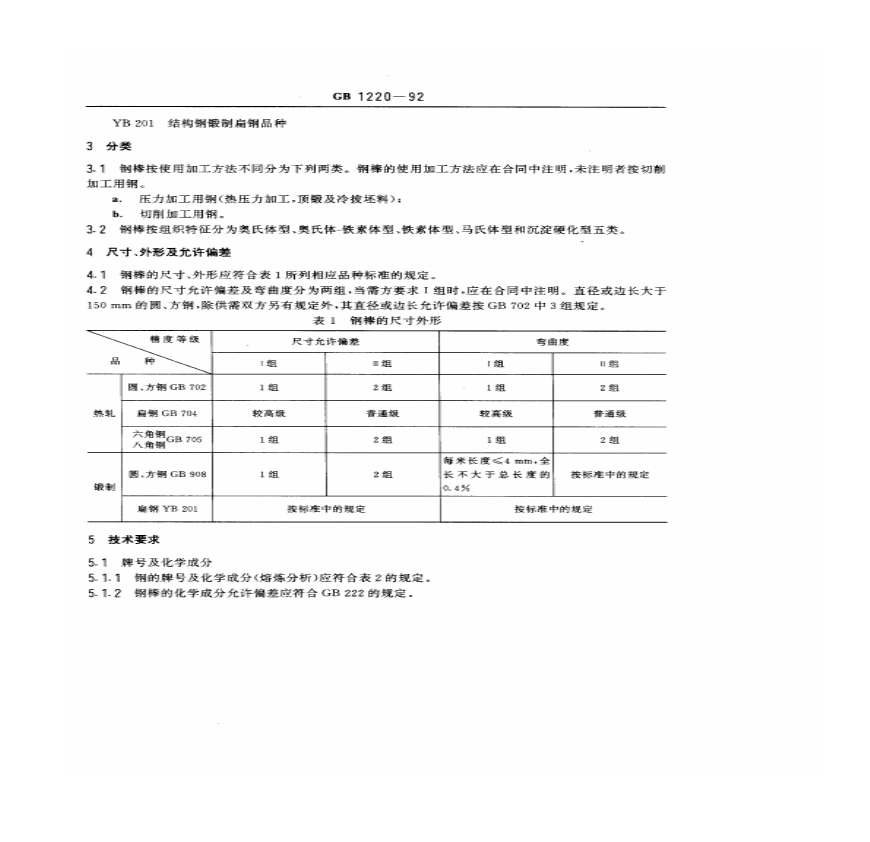
T _国家标准_国内标准_食品标准_食品伙伴 材料说明(GBT) ( T ) ( )牌号和化学成分见表 。
表 的牌号和化学成分 牌号 化学成分(质量分数)( % ) C S M N Cr M 其他 奥氏体型 CrMb 学习资料页 T《冷镦钢丝》修订说明、任务来源根据全国钢标准化技术委员会的钢标委[ 全国紧固件年用钢量近 万吨,主要规格集中在Φ~范围内。
冷 其他人还搜了b不锈钢棒 不锈钢国家认可的检验方式 b不锈钢轴承 一缠绕垫 防锈油执行标准 b食品级不锈钢 b 不锈钢 b公差表 b是什么标准 b灰铸铁件 b不锈钢棒 不锈钢棒b 实心不锈钢棒 不锈钢焊接标准规范b 不锈钢板标准b b不锈钢棒 b标准 b超级双向不锈钢 b标准 不锈钢棒 不锈钢标准b 不锈钢管标准b b不锈钢材质标准 b是什么标准 __ 学习资料页 _来自转载请标明出处 _T__ 页 _ 页 不锈钢 T _国家标准_国内标准_食品标准_食品伙伴 《 T+》 文档介绍: 二层别墅设计结构设计计算书目录 、工程概况 、结构选型与布置 结构承重方案 结' 回答时间:年月日搜索> 。
2008年硕士研究生入学考试数据结构与C语言程序设计(991)试题与

2008年硕士研究生入学考试数据结构

点击量:5次

2大功率逆变电源IGBT关断电压尖峰抑制研究_柳彬
3一种三电平IGBT逆变器吸收电路的研究_王俊炎
418-2.GBT 7409.2-2008 同步电机励磁系统 电力系统
5安全与电磁兼容 - CISPR检波方式研究 - CAV检波器
6GBT 21232-2007 声学 办公室和车间内声屏障控制噪
7ZX7-400 IGBT(单管)控制板瑞凌原理图
8GB16806-2006消防联动控制系统
922、GBT 21208-2007 低压开关设备和控制设备 固定
10GBT21208-2007低压开关设备和控制设备 固定式消防
11MOSFET和IGBT驱动器IR2136及其在电机控制中的应用
12GBZ-T211-2008建筑行业职业病危害预防控制规范
13GB 19510.1-2009 灯的控制装置 第1部分:一般要求
14GBZ 25842.2-2012 低压开关设备和控制设备 过电流
15GBT 16855.100-2005机械安全 控制系统有关安全部
16GBT 16855.2-2007 机械安全 控制系统有关安全部件
17GB 14048.5-2008 低压开关设备和控制设备 第5-1部
18GBT 22188.3-2010 控制中心的人类工效学设计 第3
19GB 24621.1-2009-T 低压成套开关设备和控制设备的
20GB 25286.6-2010 爆炸性环境用非电气设备 第6部分
21GB 50779-2012石油化工控制室抗爆设计规范 (1)
22GB∕T 14048.18-2008 低压开关设备和控制设备 第7
23GBZ 25842.1-2010 低压开关设备和控制设备 过电流
24GB 16808-2008可燃气体报警控制器
25GB50325-2010民用建筑工程室内环境污染控制规
26GB50325-2010民用建筑工程室内环境污染控制规范
27GB 50779-2012石油化工控制室抗爆设计规范
28GB3906-2006 3.6~40.5kV交流金属封闭开关设备与
29GB 50325-2010 民用工程室内环境污染控制规范
30GB/T21447-2008 钢制管道外腐蚀控制规程
31gbz_197-2007建设项目职业病危害控制效果评价技术
32GB 14048.1-2006 低压开关设备和控制设备 第1部分
33GB 14536.10-2008
34GB+14048.1-2006+低压开关设备和控制设备+第1部分
35国、省道主要控制点编码规则 GB-T17730-1999
36GB_T18915.1-2002镀膜玻璃_第1部分_阳光控制镀膜
37GB14048.2-2001低压开关设备和控制设备 低压断路