网站域名:www.99biaozhun.com
会员登陆
免费注册
网站首页
最近更新
教育
技术资料
生活
图纸
搜索
上传资料
发布
当前位置:
>
文档资料
> 440R说明书
440R说明书.pdf 免费下载
星级评价:
暂无
文件大小:1.6 M
下载权限:无需注册
更新时间:2022-09-29
文件类型:.pdf
隶属栏目:文档资料
上传会员:田一栾
浏览次数:1
授权方式:非商业性使用。侵权违法举报 i99biaozhun@163.com
内容介绍
440R说明书资料下载,喜欢的朋友可以下载收藏!
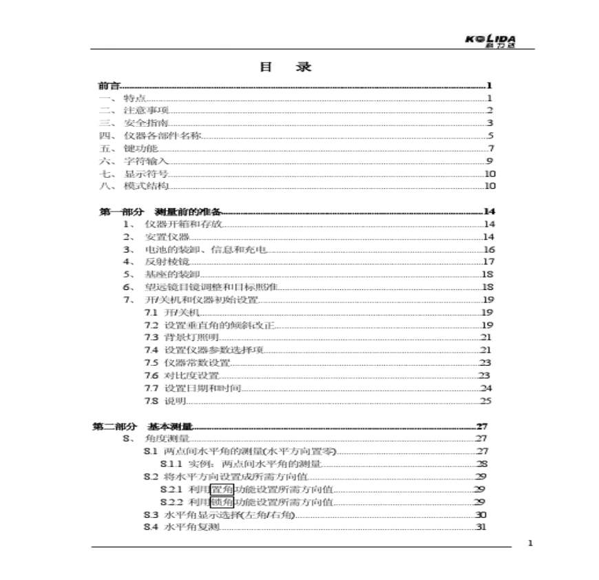
第一页预览图:
第二页预览图:
·
进入下载地址列表
其他资料
美国AB罗克韦尔安全继电器系列自动化下载美国AB罗克韦尔安全继电器 系列,由于 ::上传,大小为M,所属分类为 官方微信 微平台大视野 工控头条 工控头条A 当前位置:自动说明书 科力达全站仪提供优质的科力达全站仪下载,可编辑,可替换,更多科力达全站仪资料,快来下载! 。
猜你喜欢
下载排行
2008年硕士研究生入学考试数据结构
点击量:5次
2
西门子PID控制上文说明书STEP 7- PID 温度控制_
3
FANUC Robot R-30iA 控制装置 伺服枪功能 操作说
4
双电源控制器WQ3操作说明书
5
JB-QG-GST5000(联动型)火灾报警控制器设计说明书
6
JD1A-40电磁调速电机控制器说明书
7
ABB变频器ACS800说明书
8
FANUC_Robot_R-30iA_控制装置_伺服枪功能_操作说
9
ET-SZ6使用说明书0706
10
HMK8说明书2011.03-297
11
DLJ-6型控制板说明书
12
电梯控制器说明书_
13
TOP700M系列电动机保护控制器说明书--V6.42版
14
JD1A_电磁调速电机控制器说明书
15
温湿度控制器说明书
16
兰利变频恒压供水控制器CPS-21C说明书
17
步进电动机控制器说明书cpct sg8030
18
长白山旅游股份有限公司招股说明书
19
安信证券股份有限公司2013年度第六期短期融资券募
20
思维导图丛书 大脑使用说明书
21
徕卡SF58闪光灯说明书德英法荷意西六语版
22
VCAD化工容器CAD施工图软件使用说明书-
23
wind资讯金融终端介绍-万得终端功能说明书
24
简单介绍锅炉软化水设备安装使用说明书
25
沪深A股MATLAB应用程序包说明书(2012年06)
26
2013年武汉地铁集团有限公司可续期公司债券募集说
27
百隆东方股份有限公司首次公开发行A股股票招股说
28
PPMS软件MultiVu说明书
29
Canon Powershot 说明书
30
上海耀华XK3190-A24标定说明书
31
HLP-A系列说明书(中文)
32
sew变频器中文说明书
33
BBF-S(H)A交流伺服说明书
34
夜狼安防-警报器与防盗器-家用防盗报警器系列007M
35
WRS—2A(WRS-2)型微机熔点仪使用说明书 (1)
36
无线遥控检测仪A890-RES说明书
37
KYN28A-12高压开关说明书
《期货交易策略》[美]斯坦利.克罗(
点击量:200次
200
2
《期货交易策略》[美]斯坦利.克罗(Stan
200
3
GBT14976-2002流体输送用不锈钢无缝钢
200
4
水利水电工程环境保护概估算编制规程 S
200
5
锅炉、热交换器用不锈钢无缝钢管 GB 13
200
6
GB_50041-2008_锅炉房设计规范
200
7
GBT--9089.1-2008
200
8
韩顺平玩转oracle视频教程笔记
200
9
使用频率最高的一千句 英语
200
10
《毛宗岗批评本三国演义》[明] 罗贯中
200
11
GB/T 50610-2010 车用乙醇汽油储运设
200
12
7944740
200
13
WHO+Classification+of+Tumours+of+Fem
200
14
1998年考研英语真题及解析
200
15
线性代数 98 国防科大 321
200
16
JBZQ 4224-2006 O形橡胶密封圈